Welcome,
My Cart
0 item(s)

Models

Parts


product name

Ryobi LE720r 41AJLE1A034 Attachment

Model: LE720r 41AJLE1A034 41AJLE1A034 LE720r

Save
Part Not Listed?Part Not Listed?

product name

Lawn Edger Add-On

...
...

...
2
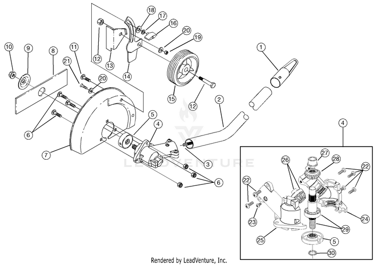
ASSEMBLY:DRSHF HSG:EDGR MTD-791-180915

...
3
Drive Shaft Assembly MTD-791-181570

...
4
Gearbox Assembly (includes 5, 6, 10, 19 & 20) MTD-791-182193

...
5
Blade Driver MTD-791-182196

...
6
Shield Mount Screw Assembly MTD-753-1217

...
7
GUARD, EDG MTD-791-182256

...
8
EDGER BLADE MTD-797-00045

...
9
Retaining Washer MTD-791-147490


...
11
Carriage Screw 1/4-20 x .75 MTD-710-0703

...
12
ASSEMBLY, WHEEL MTD-791-181591

...
13
DEFLECTOR, MTD-791-181592

...
14
BRACKET, EDGER GUI MTD-791-181593

...

...
16
KNOB, 1/4- MTD-791-182214

...
17
L-Wash. 1/4" I.D. MTD-936-0329

...
18
WASH, FLAT .734 OD MTD-791-182216

...
19
NUT, LOCK (T#3296- MTD-791-182237

...
20
WASH, FLAT .62ODX. MTD-791-182236

...
21
SCREW, #10-24X.50 M MTD-791-181858

...
22
SCREW #10-24X11/16 T-25 MTD-791-182195

...
23
Anti-Rotation Screw MTD-791-182519

...
xx
Locking Rod Item not shown MTD-791-613226

...
xx
Blade Retainer Kit (includes 9 & 10); Item not shown MTD-791-180014B

...
24
LEFT HOUSING 2 Piece Gearbox Assembly Part - Item 4 MTD-791-182191

...
25
RIGHT HOUSING 2 Piece Gearbox Assembly Part - Item 4 MTD-791-182192

...
26
Pinion Gear Assembly 2 Piece Gearbox Assembly Part - Item 4 MTD-791-182194

...
27
BUSHING-OUTPUT SHA 2 Piece Gearbox Assembly Part - Item 4 MTD-791-182199

...
28
GEAR-OUTPUT SHAFT 2 Piece Gearbox Assembly Part - Item 4 MTD-791-182198

...
29
SHAFT-ASSEMBLY-OUTPUT (includes 27 & 28); 2 Piece Gearbox Assembly Part - Item 4 MTD-791-182197

...
30
Palnut 2 Piece Gearbox Assembly Part - Item 4 MTD-753-04348

The Ryobi LE720r-41AJLE1A034 Attachment is designed for efficient edging and trimming, making it an excellent addition to your outdoor maintenance toolkit. This attachment connects easily to compatible Ryobi Expand-It power heads, allowing you to create clean edges along driveways, sidewalks, and flower beds. The durable blade is designed for precision, always ensuring a professional-looking finish. Its lightweight design enhances maneuverability, while the ergonomic handle provides a comfortable grip, reducing operator fatigue during extended use. Built for reliability and durability, this edger attachment is suitable for homeowners and professionals looking to achieve a well-groomed landscape. Transform your powerhead into a versatile edging tool with the Ryobi LE720r attachment for optimal results in your yard maintenance.

Why Choose Us for Ryobi LE720r-41AJLE1A034 Attachment Parts?

At PartsWarehouse, we provide high-quality OEM parts for your Ryobi tools. Our extensive selection ensures you can find the right components to keep your LE720r edger attachment in top working condition. With fast shipping and expert assistance, we are here to support your outdoor projects effectively.

 

...
...
...
...
...
Processing