Welcome,
My Cart
0 item(s)

Models

Parts


product name

Ryobi 510r 21BK515G034 Tiller

Model: 510r 21BK515G034 21BK515G034 510r

Save
Part Not Listed?Part Not Listed?

product name

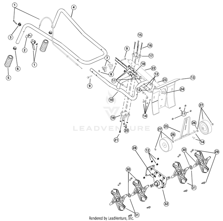
Boom And Cultivator Parts

...
...
1
THROTTLE TRIGGER A (includes 2 & 3) MTD-791-00024

...
2
BRACKET, SWITCH MTD-791-182672

...
3
Ignition Switch MTD-791-182673

...
4
UPPER HANDLEBAR AS (includes 5 & 6) MTD-791-00025

...
5
GRIP, RUBBER 5" LG MTD-791-182675

...
6
CAP, PLUG BLACK MTD-791-182676

...
7
Handlebar Knob MTD-791-182677

...
8
WASH, FLAT SPECIAL MTD-4150


...
10
LOWER HANDLEBAR AS MTD-791-00026

...
11
HARDWARE, MTD-791-182681

...
12
HARDWARE, MTD-791-182682

...
13
GUARD, TILLER TIRE MTD-791-182683

...
14
HARDWARE, WHEEL BR MTD-791-182684

...
15
Handle Bracket Assembly (includes 16-21) MTD-791-683295

...

...
17
Upper Handle Clamp MTD-791-181812

...
18
Middle Handle Clamp MTD-791-181813

...
19
Lower Handle Clamp MTD-791-181814


...
21
Anti-Rotation Screw MTD-791-145569

...
22
GRIP, MAIN HANDLE MTD-791-181575

...
23
BOOM W/HDWR:CULT:M MTD-753-04161

...
24
SHAFT, DRIVE MTD-791-181577

...
25
BRACKET ASSEMBLY:WHEEL:CULT MTD-753-05020

...
26
WASH, FLAT .734 OD MTD-791-182216

...
27
ASSEMBLY, CULTIVATOR WHEEL (includes 26) MTD-791-180944

...
28
Hex Tap Scr. 1/4-20 x .5" Lg. MTD-710-0599

...
29
ASSEMBLY, TINE FASTENER MTD-791-147473

...
30
TINE, LT/OUTER OR MTD-791-182729

...
31
TINE, LT/INNER OR MTD-791-182730

...
32
GEARBOX ASSEMBLY COMPLETE MTD-753-04489

Engine Parts

...
...
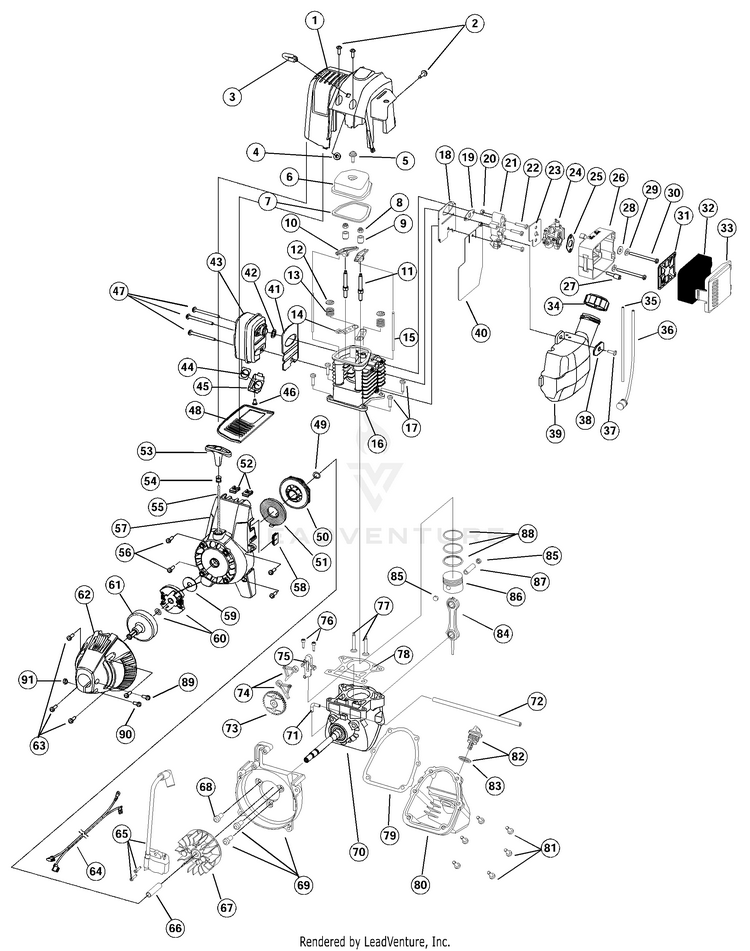
1
COVER:ENG:REAR:W/HOL MTD-753-04028

...
2
Engine Cover Screws MTD-753-04994

...
3
GUIDE, ROPE (AC-2. MTD-791-182651

...
4
LOCKNUT, ¼ "-20 W/ MTD-791-182652

...
5
Valve Cover Screw MTD-791-181025

...
6
COVER, VALVE W/O BRE MTD-791-182098

...
7
Valve Cover Gasket MTD-791-182099

...
8
NUT, ROCKER ADJUST MTD-791-182340

...
9
PIVOT, ROCKER ARM MTD-791-182101

...
10
ARM, ROCKER MTD-791-182100

...
11
STUD, ROCKER ARM MTD-791-182341

...
12
RET, VALVE SPRING MTD-791-182103

...
13
SPRING, VALVE MTD-791-181038

...
14
GUIDE, PUSH ROD MTD-791-182102

...
15
ROD, PUSH MTD-791-181033

...
16
CYLINDER ASSEMB (includes 11-14, 16, 18 & 78) MTD-791-182745

...
17
SCREW, M5 X18 MTD-9052-1

...
18
INTAKE BAFFLE MTD-753-1226

...
19
Carburetor Mount Gasket MTD-791-182749

...
20
NUT-DEE HANDLE MTD-791-181034

...
21
CARBURETOR INSULATOR (includes 20) MTD-753-04029

...
22
SCR, CARBU MTD-791-182348

...
23
CARBURETOR GASKET MTD-791-182732

...
24
Carburetor with Primer MTD-791-182654

...
25
Air Filter Gasket MTD-753-04030

...
26
AIR CLEANE (includes 27, 28, 31-33) MTD-791-182655

...
27
Breather Tube Assembly MTD-791-182097

...
28
WASH, .39 x .29 X MTD-791-182656

...
29

...
30
CARB STUD MTD-792-9973

...
31
PLATE, WALBRO AIR MTD-791-182657

...
32
Air Filter MTD-791-182658

...
33
COVER, AIR CLEANER ( MTD-791-182659

...
34
FUEL CAP ASSEMBLY 43MM-6 W/O HOLE MTD-791-182271

...
35
Fuel Return Line MTD-791-182352

...
36
Fuel Pick-Up Line with Filter MTD-791-182353

...
37
SCREW, FUEL TANK BRA MTD-791-181080

...
38
RET, LOWER STAMPIN MTD-791-182354

...
39
TANK ASSEMBLY:F (includes 34-36) MTD-791-182660

...
40
BAFFLE, FU MTD-791-182356

...
41
BAFFLE:MFLR:EXHAUST MTD-753-1232

...
42
MUFFLER GASKET MTD-9094-1

...
43
MUFFLER ASSEMBLY W/GASKET (includes 42, 44-46) MTD-753-04036

...
44
SCREEN, AC MUFFLER SPARK MTD-791-180890

...
45
COVER, SCREEN MTD-791-181045

...
46
SCREW, SCREEN COVER MTD-791-181046

...
47
SCREW, MUFFLER MTD-791-182361

...
48

...
49
Pulley Retainer MTD-753-04288

...
50
Recoil Pulley MTD-791-182748

...
51
SPR START MTD-753-1236

...
52

...
53
Pull Handle MTD-631-04164B

...
54
Rope Guide MTD-791-611061


...
56
Screw MTD-9054

...
57
STARTER HOUSING ASSEMBLY (includes 49-56) MTD-753-04160

...
58
GROMMET, WIRE (AC- MTD-791-182537

...
59

...
60
Clutch with Washer MTD-753-1238

...
61
Clutch Drum MTD-791-153592

...
62
CLUTCH COVER MTD-753-1239

...
63
Clutch Cover Screw MTD-791-181345

...
64
WIRE LEAD MTD-9681

...
65
Ignition Module with Screws MTD-753-04040

...
66

...
67
Flywheel Assembly MTD-753-05240

...
68
SCREW, 1/4-20X.562 F MTD-791-181861

...
69
ASSEMBLY, SHROUD (AC-2. (includes 68) MTD-791-182743

...
70
ASSEMBLY, CRANKCASE & P (includes 71 & 72) MTD-791-182376

...
71
FITTING, BREATHER MTD-791-182375

...
72
Breather Hose MTD-791-182379

...
73

...
74
FOLLOWER, MTD-753-1242

...
75
BRACKET, CAM MTD-791-181013

...
76
SCR, CAM BRACKET MTD-791-181012

...

...
78
GASKET, CYLINDER B MTD-791-182374

...
79
GASKET, OIL PAN MTD-791-181018

...
80
PAN, OIL W/ GASKET (includes 79 & 81) MTD-791-182377

...
81
Screw MTD-9054

...
82
Dipstick Assembly (includes 83) MTD-791-182378

...
83

...
84
ROD, CONNECTING MTD-791-181009

...
85
BUTTON, WRIST PIN MTD-791-181008

...
86
PISTON ASSEMBLY:PSTN MTD-753-1243

...
87
PIN, WRIST MTD-791-181006

...
88
RING SET:PISTON MTD-753-04801

...
89
Anit-Rotation Screw MTD-791-145569

...
90
SCREW:8-32X1.00":MAC MTD-753-1240

...
91

...
xx
Spark Plug Part not shown MTD-794-00082

...
xx
SHORTBLOCK ASSEMBLY (includes 5-17, 70-88); Part not shown MTD-753-04087

...
xx
Flywheel Assembly Part not shown MTD-753-05240

...
xx
Carburetor Repair Kit Part not shown MTD-753-04014

...
xx
Gasket/Diaphragm Repair Kit Part not shown MTD-753-1248
...
...
...
...
...
Processing