Welcome,
My Cart
0 item(s)

Models

Parts


product name

Ryobi 410r 21CK410G034 Tiller

Model: 410r 21CK410G034 21CK410G034 410r

Save
Part Not Listed?Part Not Listed?

product name

Boom And Cultivator Parts

...
...
1
ASSEMBLY, THRO MTD-791-181573

...
2
ASSEMBLY, CULTIVATOR HA (includes 3-5) MTD-791-180942


...
4
Tube Closure MTD-791-612021

...
5
ASSEMBLY, CLAMP MTD-791-181503

...
6
ASSEMBLY, MOUNTING HDWE MTD-791-147501

...
7
BRACKET, ENGINE MOUNTING. MTD-791-181574

...
8
BRACKET, ENGINE MOUNT L.H. MTD-791-181504

...
9
ASSEMBLY, SWITC MTD-791-682035

...
10
Handle Bracket Assembly (includes 11-16) MTD-791-683295

...

...
12
Upper Handle Clamp MTD-791-181812

...
13
Middle Handle Clamp MTD-791-181813

...
14
Lower Handle Clamp MTD-791-181814


...
16
Anti-Rotation Screw MTD-791-145569

...
17
GRIP, MAIN HANDLE MTD-791-181575

...
18
ASSEMBLY, DRIVE SHAFT HOUSING MTD-791-180943

...
19
SHAFT, DRIVE MTD-791-181577

...
20
SLEEVE, RETAINER W (includes 21) MTD-791-181578

...
21
Hex Tap Scr. 1/4-20 x .5" Lg. MTD-710-0599

...
22
ASSEMBLY:BRACKET MTG SC SE MTD-791-147467

...
23
ASSEMBLY, TILLER GUARD MTD-791-180319

...
24
GD MT:HDWR KIT MTD-753-04266

...
25
BRACKET ASSEMBLY:WHEEL:CULT MTD-753-05020

...
26
ASSEMBLY, CULTIVATOR WHEEL MTD-791-180944

...
27
ASSEMBLY, TINE FASTENER MTD-791-147473

...
28
TINE, LT/OUTER OR MTD-791-182729

...
29
TINE, LT/INNER OR MTD-791-182730

...
30
GEARBOX ASSEMBLY COMPLETE MTD-753-04489

Engine Parts

...
...
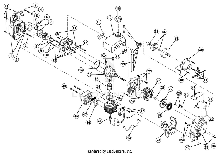
1
Air Cleaner Cover Assembly (includes 2 & 38) (includes 2 & 40) MTD-753-04511

...
2
Air Cleaner Filter MTD-791-180350B

...
3
ASSEMBLY, CARBURETOR MO MTD-791-180351

...
4
SPRING WASHER .317 X .625 X .020 MTD-936-0271

...
5
CHOKE LEVER ASSEMBLY:W/ (includes 6) MTD-753-04418

...
6
ASSEMBLY, CHOKE KNOB & MTD-791-182202

...
7
PLATE ASSEMBLY:CHOKE:WV (includes 5) MTD-753-04419

...
8
CARB ASSEMBLY A-SERIES (includes 9 & 20) MTD-791-182875

...
9
CARBURETOR GASKET MTD-791P610675

...
10
SCREW, 10-24X.75 T-2 MTD-791-181860

...
11
Primer and Hose Assembly MTD-791-683974B

...
12
CARBURETOR MOUNT ASSEMBLY (includes 10 & 13) MTD-753-1196

...
13
REED VALVE ASSEMBLY MTD-791-684451

...
14
Carburetor Mount Gasket MTD-753-1208

...
15
ASSEMBLY, CRANK (includes 10 & 23) MTD-791-182791

...
16
PAD, REAR MOUNT PAD MTD-791-612134

...
17
TANK ASSEMBLY:B (includes 18-21) MTD-753-04306

...
18
Fuel Tank Cap MTD-791-182612

...
19
Fuel Return Line MTD-791-181086

...
20
Fuel Line Assembly MTD-791-682039

...
21
PAD, FRONT MOUNTING MTD-791-145308

...
22
ASSEMBLY, SHROUD ASSEMB (includes 23) MTD-791-683065

...
23
SCREW, 1/4-20X.562 F MTD-791-181861

...
24
EXTN-SHROUD W/STAN MTD-753-04611

...
25
Flywheel Assembly MTD-753-05240

...
26

...
27
START PULLEY KIT MTD-753-04232

...
28
Recoil Spring MTD-791-613102

...
29
ASSEMBLY, PULLEY RETAINER MTD-791-180930

...
30
Rope Guide MTD-791-611061

...
31
ASSEMBLY, FUEL TANK GUA MTD-791-180317

...
32
Pull Handle MTD-631-04164B


...
34
Housing Screw MTD-791-181912

...
35
ASSEMBLY, START (includes 27-30, 32-34 & 40) MTD-791-181909

...
36

...
37
Starter Clutch Assembly MTD-753-05860

...
38
Clutch Drum Assembly MTD-791-153592

...
39
ASSEMBLY, CLUTCH HOUSING RYOBI USA (includes 40) MTD-791-180098

...
40
Cover Screw MTD-791-181345

...
41
CLAMP ASSEMBLY-LOWER MTD-791-153597

...
42
MOD ASSEMBLY:W/ MTD-753-04398

...
43
LEAD, WIRE MTD-791-181580

...
44
Spark Plug MTD-791-610311B

...
45
Muffler Assembly (includes 46-48) MTD-791-182174

...
46
Muffler Gasket MTD-753-04619

...
47
SCRN:SPK ARST:A-31 MTD-791-182747

...
48
ASSEMBLY, MUFFLER MOUNTING BOLTS MTD-791-147575

...
49
Cylinder Assembly (includes 51 & 52) (includes 51) MTD-753-04814

...
50
PISTON ASSEMBLY:W/ROD/RIN MTD-753-04367

...
51
GASKET:CYL:HTSHLD:EP MTD-753-1197

...
52
Cylinder Bolt MTD-791-182723

...
xx
KIT-ENGINE GASK not shown MTD-791-182067

...
xx
O.E.M. Carburetor Repair Kit not shown MTD-791-180090

...
xx
Gasket-Diaphragm Repair Kit not shown MTD-791-180091

...
xx
Piston Ring not shown MTD-753-1209

...
xx
SHORTBLOCK:31CC;CLU:6 L (includes 14, 15, 44, 50-52); not shown MTD-753-04359

...
xx
Clutch Springs (Qty. 2) not shown MTD-791-181599

PartsWarehouse is your go-to source for Ryobi 410r 21CK410G034 Tiller parts. Whether conducting routine maintenance or making necessary repairs, our extensive collection of OEM parts guarantees you’ll find exactly what you need. All parts are sourced directly from the manufacturer to ensure the durability, quality, and performance that Ryobi tools are known for. Trust PartsWarehouse will supply authentic Ryobi 410r 21CK410G034 parts to keep your equipment operating at peak efficiency.

Why Choose Us for Ryobi 410r 21CK410G034 Parts?

For Ryobi 410r 21CK410G034 replacement parts, PartsWarehouse stands out as the top online provider. We offer a wide selection of parts and fast and reliable shipping so that you can complete your repairs without delay. Our friendly customer service team is always available to assist you in finding the right parts. Explore our inventory and place your order today! For further assistance, feel free to contact us via email, phone, or text—we’re always ready to help.

 

...
...
...
...
...
Processing