Welcome,
My Cart
0 item(s)

Models

Parts


product name

Ryobi 410r 21BK410G034 Tiller

Model: 410r 21BK410G034 21BK410G034 410r

Save
Part Not Listed?Part Not Listed?

product name

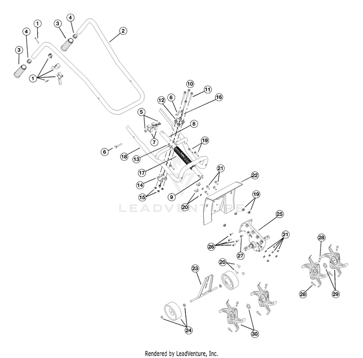
Boom And Cultivator Parts

...
...
1
THROTTLE TRIGGER AND CABLE ASSEMBLY MTD-791-00023

...
2
ASSEMBLY, HANDLE BAR (includes 3 & 4) MTD-791-182882

...
3
GRIP, RUBBER 5" LG MTD-791-182675

...
4
CAP, PLUG BLACK MTD-791-182676

...
5
WASH, FLAT SPECIAL MTD-4150



...
8
ASSEMBLY, DRIVE SHAFT HOUSING MTD-791-180943

...
9
SHAFT, DRIVE MTD-791-181577

...
10
Handle Bracket Assembly (includes 11-16) MTD-791-683295

...

...
12
Upper Handle Clamp MTD-791-181812

...
13
Middle Handle Clamp MTD-791-181813

...
14
Lower Handle Clamp MTD-791-181814


...
16
Anti-Rotation Screw MTD-791-145569

...
17
GRIP, MAIN HANDLE MTD-791-181575

...
18
HANDLEBAR, LOWER CUL MTD-791-182900

...
19
HARDWARE, MTD-791-182681

...
20
ASSEMBLY:BRACKET MTG SC SE MTD-791-147467

...
21
GD MT:HDWR KIT MTD-753-04266

...
22
GUARD, TILLER TIRE MTD-791-182683

...
23
BRACKET ASSEMBLY:WHEEL:CULT MTD-753-05020

...
24
ASSEMBLY, CULTIVATOR WHEEL MTD-791-180944

...
25
GEARBOX ASSEMBLY COMPLETE MTD-753-04489

...

...
27
Hex Tap Scr. 1/4-20 x .5" Lg. MTD-710-0599

...
28
ASSEMBLY, TINE FASTENER MTD-791-147473

...
29
TINE, LT/OUTER OR MTD-791-182729

...
30
TINE, LT/INNER MTD-791-147472

...
xx
2-CYCLE OIL Optional Accessory; not shown MTD-791-147543

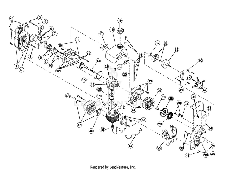
Engine Parts

...
...
1
Air Cleaner Cover Assembly (includes 2 & 38) (includes 2 & 41) MTD-753-04511

...
2
Air Cleaner Filter MTD-791-180350B

...
3
ASSEMBLY, CARBURETOR MO MTD-791-180351

...
4
SPRING WASHER .317 X .625 X .020 MTD-936-0271

...
5
CHOKE LEVER ASSEMBLY:W/ (includes 6) MTD-753-04418

...
6
ASSEMBLY, CHOKE KNOB & MTD-791-182202

...
7
PLATE ASSEMBLY:CHOKE:WV (includes 5) MTD-753-04419

...
8
CARB ASSEMBLY A-SERIES (includes 9 & 21) MTD-791-182875

...
9
CARBURETOR GASKET MTD-791P610675

...
10
SCREW, 10-24X.75 T-2 MTD-791-181860

...
11
Primer and Hose Assembly MTD-791-683974B

...
12
CARBURETOR MOUNT ASSEMBLY (includes 10 & 13) MTD-753-1196

...
13
REED VALVE ASSEMBLY MTD-791-684451

...
14
ASSEMBLY, POWER SHAFT MTD-791-182790

...
15
Carburetor Mount Gasket MTD-753-1208

...
16
ASSEMBLY, CRANK (includes 10, 14 & 24) MTD-791-182791

...
17
PAD, REAR MOUNT PAD MTD-791-612134

...
18
TANK ASSEMBLY:B (includes 19-21) MTD-791-180046

...
19
Fuel Cap Assembly MTD-791-181559

...
20
Fuel Return Line MTD-791-181086

...
21
Fuel Line Assembly MTD-791-682039

...
22
PAD, FRONT MOUNTING MTD-791-145308

...
23
ASSEMBLY, SHROUD ASSEMB MTD-791-683065

...
24
SCREW, 1/4-20X.562 F MTD-791-181861

...
25
EXTN-SHROUD W/STAN MTD-753-04611

...
26
Flywheel Assembly MTD-753-05240

...
27

...
28
START PULLEY KIT MTD-753-04232

...
29
Recoil Spring MTD-791-613102

...
30
Pulley Retainer Assembly MTD-791-180980

...
31
Rope Guide MTD-791-611061

...
32
ASSEMBLY, FUEL TANK GUA MTD-791-180317

...
33
Pull Handle MTD-631-04164B


...
35
Housing Screw MTD-791-181345

...
36
ASSEMBLY, START (includes items 28-31, 33-35) MTD-791-181909

...
37

...
38
Starter Clutch Assembly MTD-753-05860

...
39
Clutch Drum Assembly MTD-791-153592

...
40
ASSEMBLY, CLUTCH HOUSING RYOBI USA (includes item 41) MTD-791-180098

...

...
42
CLAMP ASSEMBLY-LOWER MTD-791-153597

...
43
Module Assembly MTD-791-182879

...
44
LEAD, WIRE DUAL 36 MTD-791-182880

...
45
Spark Plug MTD-791-610311B

...
46
Muffler Gasket MTD-753-04619

...
47
Muffler Assembly (includes item 46 & 48) MTD-791-182174

...
48
ASSEMBLY, MUFFLER MOUNTING BOLTS MTD-791-147575

...
49
Cylinder Assembly (includes 51 & 52) (includes items 51 & 52) MTD-753-04814

...
50
PISTON ASSEMBLY:W/ROD/RIN MTD-753-04367

...
51
Cylinder Gasket MTD-791-610674

...
52
SCREW, 1/4-20X.625 S MTD-791-181870

...
xx
KIT, ENGINE GASKET not shown MTD-791-180011

...
xx
O.E.M. Carburetor Repair Kit (Walbro) not shown MTD-791-180602

...
xx
O.E.M. Carburetor Repair Kit (Zama) not shown MTD-791-180090

...
xx
Gasket-Diaphragm Repair Kit (Walbro) not shown MTD-791-181069

...
xx
Gasket-Diaphragm Repair Kit (Zama) not shown MTD-791-180091

...
xx
RING:31CC:PSTN:BARREL FACED not shown MTD-791-180530

...
xx
SHORTBLOCK (items 13, 15, 45, 49-52); not shown MTD-791-00039

...
xx
Starter Housing Screw Set not shown MTD-791-181501

...
xx
SET, WALBRO LIMITE not shown MTD-791-181873

...
xx
SET, ZAMA LIMITER not shown MTD-791-181562

...
xx
SEAL, SEAL not shown MTD-791-610309

...
xx
Clutch Springs (Qty. 2) not shown MTD-791-181599

PartsWarehouse is your trusted source for Ryobi 410r 21BK410G034 Tiller parts. Whether performing routine maintenance or making essential repairs, our extensive selection of OEM parts ensures you’ll find exactly what you need. All parts are sourced directly from the manufacturer, guaranteeing the quality and performance that Ryobi tools are known for. Trust PartsWarehouse provides genuine Ryobi 410r 21BK410G034 parts to keep your equipment running efficiently.

Why Choose Us for Ryobi 410r 21BK410G034 Parts?

For Ryobi 410r 21BK410G034 replacement parts, PartsWarehouse stands out as the top online provider. We offer a wide selection of parts and fast and reliable shipping so you can complete your repairs without delay. Our friendly customer service team is always available to assist you in finding the right parts. Explore our inventory and place your order today! For further assistance, feel free to contact us via email, phone, or text—we’re always ready to help.

 

...
...
...
...
...
Processing