Welcome,
My Cart
0 item(s)

Models

Parts


product name

Ryobi 31AE6Q0F034 (2004) Snow Thrower

Model: 31AE6Q0F034 (2004)

Save
Part Not Listed?Part Not Listed?

product name

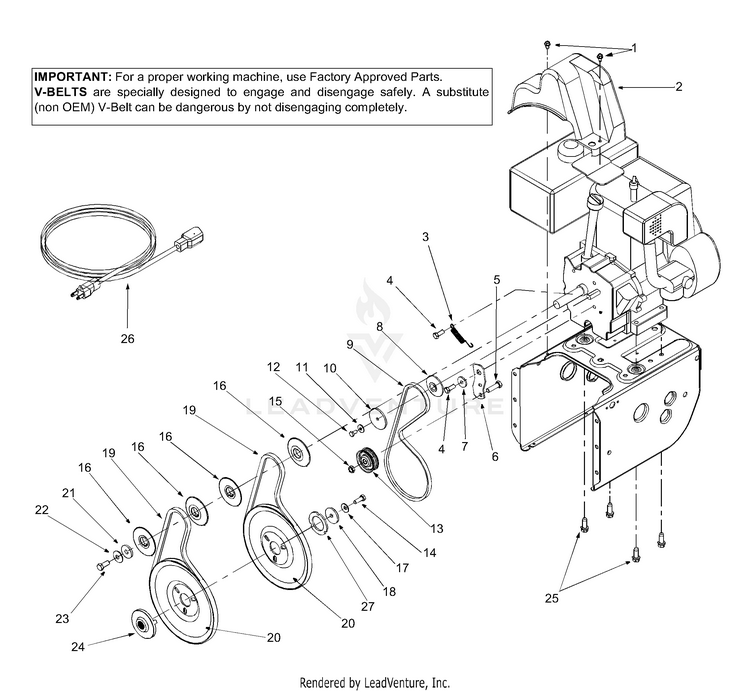
Belts & Engine Accessories

...
...
1
Hex Washer Screw 1/4-20 x.625 MTD-710-1652

...
2
Belt Cover MTD-731-1324

...
3
SPRING Models E600E & S610E MTD-932-0339

...
xx
Extension Spring MTD-932-0710

...
4
Hex Screw 5/16-24 x.75 MTD-710-0627

...
5
Hex Cap Screw 3/8-16 x 1.25 MTD-710-3005

...
6
BRACKET-IDLR- MTD-05896A

...
7
Shoulder Spacer MTD-748-0234

...
8
HALF PULLEY Models E600E & S610E MTD-756-0985

...
xx
HALF PULLEY MTD-956-0987

...
9
V-Belt Models E600E & S610E MTD-954-0343

...
xx
V - Belt MTD-954-0346

...
10
PULLEY-HAL Models E600E & S610E MTD-756-0984

...
xx
HALF PULLEY MTD-756-0986

...
11
SPRING WASHER BELL MTD-736-0270

...
12
HEX SCREW 1/4-28 x .50 GR5 MTD-710-0230

...
13
Flat Idler MTD-756-0313

...
14
Lock Hex Cap Screw 5/16-24 MTD-710-1245B

...
15
Lock Jam Nut 3/8-16 MTD-712-0181

...
16
Pulley Half Models E600E & S610E only come with TWO each of these MTD-756-0569

...
17
Bell Washer MTD-736-0242

...
18
Flat Washer MTD-736-0505

...
19
BELT: 3V X 35.00 LG Models E600E & S610E only come with ONE each of these MTD-954-0430C

...
20
Auger Pulley Models E600E & S610E only come with ONE each of these MTD-756-0967

...
21
Flat Washer 3/8 x 1.25 OD MTD-736-0247

...
22
Bell Washer MTD-736-0331

...
23
Hex Cap Screw 3/8-24 MTD-710-0696

...
24
Adapter Pulley MTD-948-0360

...
25
Hex Screw 3/8-16 x 1.0 MTD-710-0654A

...
26
3-Prong Extension Cord MTD-929-0071B

...
27
Washer Models E600E & S610E MTD-936-0507

Frame

...
...
1
Self-tapping Screw, 1/4-20 x.625 MTD-710-1652

...
2
DRIVE GUIDE BRACKET MTD-784-5688

...
3
AUGER GUIDE BRACKET MTD-784-5687A

...
4
Cable Roller MTD-756-0625

...
5
Shlder Screw, .375 ID x 1/4-14 MTD-738-0924A

...
6
FRAME HOUSING MTD-784-5630B

...
7
BALL BEARING MTD-941-0563

...
8
Bell Washer MTD-736-0105

...
9
Lock Jam Nut MTD-712-0116

...
10
Hex Flange Bearing MTD-741-04026

...
11
Flat Washer Use more than one washer on either side, only if necessary to reduce axle-play. MTD-736-0188

...
12
GUIDE BRACKET MTD-784-5689A-0637

...
13
Lock Hex Screw MTD-710-0538

...
14
Bell Washer.340 ID x.872 OD MTD-736-0242

...
15
Cotter Pin MTD-714-0474

...
16
Flat Washer.536 ID x.930 OD MTD-736-0160

...
17
Self-tapping Screw, 1/4-20 x 1.25 MTD-710-0809

...
18
Frame Shift Bracket MTD-784-5590

...
19
FRAME COVER MTD-784-5638A

...
20
Snap Ring MTD-716-0102

...
21
Flat Washer.760 ID x.50 OD MTD-736-0351

...
22
80 Tooth Gear MTD-717-1445


...
24
7-Tooth Shaft MTD-917-04094

...
25
Spring Roll Pin 1.12" Lg. MTD-915-0249

...
26
Click Pin MTD-714-0143A

...
27
Wheel Assembly Friction MTD-984-0042C

...
28
Friction Wheel Disc Ass'y. MTD-956-0012A

...
29
SHIFT ROD ASSEMBLY MTD-684-04243

...
30
Self-tapping Screw, 1/4-20 x.5 MTD-710-0599

...
31

...
32
BRACKET ASSEMBLY MTD-984-0021-0637

...
33
Ext. Spring .38n O.D. x 2.5" MTD-932-0264

...
34
Jam Nut 3/8-24 MTD-712-0711

...
35
Cable-Drive Clutch MTD-946-0898

...
36
Axle 13" Wheels MTD-738-0869

...
xx
AXLE .750X24.5 MTD-738-0830

...
37
Friction Plate MTD-790-00010

...
38
Rubber Only MTD-935-0243B

...
39
Wheel Assembly Friction MTD-984-0042C

...
40
Friction Wheel Bearing Assembly MTD-618-0063A

...
41
Clevis Pin, 1/4 x 1.3725 MTD-711-1364

...
42
Flat Washer,.281 x.5 x.063 MTD-736-0142

...
43
Cotter Pin,.75 MTD-714-0507

...
44
INSERT NUT 5/16 MTD-712-0703A

...
45
Friction Plate MTD-790-00011

Gear Assembly

...
...
1
RH Housing MTD-918-0123A

...
2
LH Housing MTD-918-0124A

...
3
Hex Screw 1/4-20 x.75 MTD-710-0642

...
4
24"AUGER SHAFT MTD-711-0908A

...
xx
26"AUGER SHAFT MTD-711-0909A

...
xx
Spiral Axle 28" MTD-711-0910A

...
5
KEY 3/16 x 5/8 H MTD-914-0161

...
6
Pin-Spiral MTD-715-0143

...
7
WORM GEAR 20T MTD-917-04861

...
8
IMPELLER SHAFT MTD-717P0526

...
9
Thrust Collar MTD-718-0186

...
10
Grease Plug MTD-721-0325

...
11
Grease Seal MTD-721-0327

...
12
Flat Washer.76 x 1.5 x.030 MTD-736-0351

...
13
Flat Washer.508 x 1.0 x.020 MTD-736-0369

...
14
Flat Washer.76 x 1.5 x.060 MTD-736-0445

...
15
Flange Bearing.75 x 1.0 x.59 MTD-741-0662

...
16
Flange Bearing.75 x 1.0 x.925 MTD-741-0663

...
17
GEARBOX ASSEMBLY 24" W FITTING MTD-918-0414B

...
xx
Gear Assembly: Auger 26" MTD-918-0415B

...
xx
Gear Assembly: Auger 28" MTD-918-0416B

General Assembly

...
...
1
Lock Jam Nut 3/8-24 MTD-712-0116

...
2
Flat Idler MTD-756-0178

...
3
Auger Idler Brkt. MTD-984-0064-0637

...
4
Hex Cap Screw 3/8-24 x 1.50 MTD-710-0459A

...
5
Shoulder Screw MTD-738-0281

...
6
Wave Washer MTD-936-0167

...
7
Ext. Spring 3.6" Lg. MTD-932-0611

...
8
Hex L-Nut 5/16-18 Thd. MTD-712-3009

...
9
HEX NUT 5/16-18 MTD-712-3010

...
10
Lock Wash. 5/16" I.D. MTD-936-0119

...
11
Housing MTD-05931A

...
12
Flange Ball Bearing MTD-941-0309

...
13
Carriage Bolt 5/16-18 x.75 MTD-710-0451

...
14
Reinforcement Chute MTD-705-5226

...
15
24" HOUSING ASSEMBLY MTD-684-0039D

...
xx
26" HOUSING ASSEMBLY MTD-684-0040D

...
xx
28" HOUSING ASSEMBLY MTD-684-0041D

...
16
Bearing Housing MTD-784-5618A-0637

...
18
Bell Washer MTD-736-0242

...
19
BUSHING .380 ID MTD-941-0475

...
20
Chute Crank Bracket MTD-784-5647-0637

...
21
Adapter Chute MTD-731-1379D

...
22
LOCK NUT 1/4 MTD-912-3027

...
25
Carriage Screw 1/4-20 x.75 MTD-710-0703

...
26
Screw 5/16-12 MTD-710-0726

...
27
Lock Washer 3/8 MTD-736-0169

...
28
Hex Nut 3/8-16 MTD-712-0798

...
30
Snow Shoe MTD-784-5580

...
31
Snow Removal Tool MTD-931-2643

...
32
CLEANOUT TOOL MOUNTING CLIP MTD-731-11421

...
33

...
xx
Shave Plate: Auger 26" MTD-790-00121-0637

...
xx
Shave Plate: Auger 28" MTD-790-00118-0637

...
34
Hex Flange Bearing MTD-941-0245

...
35
12" IMPELLER (3 BLADE) (POWDER BLACK) MTD-684-06276-0637


...
37
Lock Nut 5/16-18 MTD-712-0429

...
38
24" SPIRAL ASSEMBLY (RH) (POWDER BLACK) MTD-684-04180-0637

...
xx
Spiral Assembly: RH 26" MTD-684-04182-0637

...
xx
Spiral Assembly: RH 28" MTD-684-04184-0637

...
39
Flat Washer MTD-736-0188

...
40
FLANGE BUSHING MTD-741-0493C

...
41
Spiral 24" LH MTD-684-04181-0637

...
xx
26" SPIRAL ASSEMBLY (LH) (POWDER BLACK) MTD-684-04183-0637

...
xx
28" SPIRAL ASSEMBLY (LH) (POWDER BLACK) MTD-684-04185-0637

...
42
Shear Bolt 5/16-18 x 1.5 MTD-710-0890A

...
43
Cable-Auger Clutch MTD-946-0897

...
44
Drift Cutter If Equipped MTD-790-00181-0637

...
45
Carriage Bolt 5/16-18 If Equipped MTD-710-0451

...
46
Lock Wash. 5/16" I.D. If Equipped MTD-936-0119

...
47
HEX NUT 5/16-18 If Equipped MTD-712-3010

Handle & Chute

...
...
1
Cotter Pin MTD-714-0507


...
3
Hex Washer Screw 1/4-20 x.5 MTD-710-0599

...
4
Brkt., Handle Support - RH MTD-784-5680-0637

...
5
HANDLE BRACKET (LH) MTD-784-5679-0637

...
6
Cam Lock Handle MTD-748-0362

...
7
Handle Lock Pawl MTD-948-0363

...
8
Compression Spring MTD-732-0145

...
9
Clevis Pin MTD-711-0653

...

...
xx
KNOB-SHIFT MTD-720-04030

...
11
HANDLE-ENGAGEMENT (LH) MTD-684-0037B

...
xx
HANDLE ASSEMBLY MTD-684-04052

...
12
Handle Support Bracket - LH MTD-784-5681

...
13
KIT-SHIFT HANDLE:S MTD-753-05395

...
14
Brkt., Handle Support - RH MTD-784-5682-0637

...
15
Torsion Spring MTD-732-0746

...
16
HANDLE-ENGAGEMENT (RH) MTD-684-0036A

...
xx
HANDLE ASSEMBLY MTD-684-04051

...
17
Rubber Bumper MTD-735-0199A

...
18

...
19
Hex Nut 1/4-20 Used with ground wire; found on model's with an in-dash light only. MTD-712-0271

...
20
Hex L-Nut 5/16-18 Thd. MTD-712-3009

...
21
Cable "Z" Fitting MTD-946-0778

...
22
HANDLE PANEL ASSEMBLY MTD-684-0103A

...
23
Jam Lock Nut 3/8-24 MTD-712-0116

...
24
Compression Spring MTD-732-0193

...
25
Bell Washer MTD-736-0105

...
26
Cotter Pin MTD-714-0104

...
27
FLAT WASHER MTD-736-0275

...
28
Engagement Ferru MTD-911-0677

...
29
Hex Cap Screw 3/8-24 x 1.50 MTD-710-0459A

...

...
31
HANDLE (LH) MTD-749-0911C

...
xx
HANDLE (RH) (not shown) MTD-749-0910C-0637

...
32
Special Screw, #10-16 x .625 MTD-710-04669

...
33
Handle Panel (w/o lamp cut-out) MTD-731-1391

...
34
Carriage Bolt 5/16-18 x 1.50 MTD-710-0262

...
35
Bell Washer.340 ID x.872 OD MTD-736-0242

...
36
Shift Rod MTD-747-0798A

...
37
Push Cap MTD-726-0100

...
38
Chute Knob - Black MTD-720-0201A

...
xx
Chute Crank Knob MTD-720-0201A

...
39
HANDLE PANEL MTD-731-1392

...
40
Chute Crank Ass'y MTD-984-0022

...
42

...
43
Rubber Grommet MTD-735-0234

...
44
SHIFT ARM ASSEMBLY (POWDER BLACK) MTD-684-0008A-0637

...
45
Hex Washer Screw 1/4-20 x 1.0 MTD-710-0788

...
46
Handle Tab MTD-984-5599

...
47
Lock Wash. 5/16" I.D. MTD-936-0119

...
48
H ex Cap Screw 5/16-18 x 2 MTD-710-04039

...
49
SCREW 5/16-18 x .75 GR5 MTD-710-3008

...
50
Flat Washer MTD-736-0185

...
51
UPPER CHUTE (W/LBL MANUAL TILT) MTD-731-04426C

...
52
Lower Chute MTD-731-1300E

...
53
HEX NUT 5/16-18 MTD-712-3010

...
54
5/16 Washer MTD-736-0159

...
55
Carriage Bolt 5/16-18 x.75 MTD-710-0451

...
56
Carriage Screw 5/16-18 x 1.0 MTD-710-04071

...
57
Knob - Black MTD-720-0284

...
xx
WING NUT KNOB MTD-720-04032

...
58
LOCK NUT 1/4 MTD-912-3027

...
59
Flange Keeper MTD-731-0851A

...
60
Hex Cap Screw 1/4-20 x.75 MTD-710-3015

...
61
Lens/Lamp Assembly Housing MTD-925-1672

...
62
Headlight Retaining Wire MTD-747-1136

...

...
64
Halogen Light Harness MTD-929-0059

...
65
Hex Lock Nut 5/16-18 MTD-712-0429

...
66
Wrench If Equipped MTD-714-0241A

...
67
Carrriage Bolt, 5/16-18 2.50 Models w/Folding Handles Only MTD-710-0572

...
68
CARRIAGE BOLT 5/16-18 x 1.75 Models w/Folding Handles Only MTD-710-0458

...
69
H ex Cap Screw 5/16-18 Models w/Folding Handles Only MTD-710-0643

...
70
H ex Cap Screw 5/16-18 x.75 Models w/Folding Handles Only MTD-710-1880

...
71
Saddle Washer Models w/Folding Handles Only MTD-736-0451

...
72
SHIFT ROD Models w/Folding Handles Only MTD-747-0620A

...
73
LOWER SHIFT ROD Models w/Folding Handles Only MTD-747-0621

...
74
LOWER HANDLE Models w/Folding Handles Only MTD-749-0951A

...
75
UPPER HANDLE (RH) Models w/Folding Handles Only MTD-749-0952A

...
76
UPPER HANDLE (LH) Models w/Folding Handles Only MTD-749-0953A

...
77
Rod-Clutch Lock Models w/Folding Handles Only MTD-950-0963

Wheel Assembly

...
...
1
13 x 4 Spacer E600E MTD-731-04044

...
1
13 x 5 Spacer E600E MTD-731-04044

...
1
13 x 5 Spacer S610E MTD-731-04044

...
1
SPACER E/S640F/G MTD-731-04043

...
1
SPACER E660F MTD-731-04043

...
1
SPACER E6Q0F/E6C0F MTD-731-04043

...
1
SPACER E660G MTD-731-04043

...
1
15 x 5 Spacer E640E MTD-731-04044

...
2
WHEEL ASSEMBLY E600E MTD-634-0114A

...
2
WHEEL ASSEMBLY 13 x 5 E600E MTD-734-1714A

...
2
WHEEL ASSEMBLY 13 x 5 S610E MTD-734-1714A

...
2
WHEEL ASSEMBLY 13 x 5 E/S640F/G MTD-734-1714A

...
2
WHEEL ASSEMBLY 16X4.8 E660F MTD-734-1709A

...
2
WHEEL ASSEMBLY 16X4.8 E6Q0F/E6C0F MTD-734-1709A

...
2
WHEEL ASSEMBLY 16 x 6.5 E660G MTD-734-1712A

...
2
WHEEL ASSEMBLY (15 x 5 x 6) E640E MTD-634-0140A

...
xx
13 x 4 Tire Only E600E MTD-734-1732

...
xx
TIRE-SNOW HOG 13X5 TIRE-CODE E600E MTD-734-1527

...
xx
TIRE-SNOW HOG 13X5 TIRE-CODE S610E MTD-734-1527

...
xx
16 x 4.8 Tire Only E/S640F/G MTD-734-1530

...
xx
16 x 4.8 Tire Only E660F MTD-734-1530

...
xx
16 x 4.8 Tire Only E6Q0F/E6C0F MTD-734-1530

...
xx
16 x 6.5 Tire Only E660G MTD-734-1525

...
xx
Tire Only E640E MTD-734-1859-0901

...
xx
TUBELESS VALVE E600E MTD-934-0255

...
xx
TUBELESS VALVE E600E MTD-934-0255

...
xx
TUBELESS VALVE S610E MTD-934-0255

...
xx
TUBELESS VALVE E/S640F/G MTD-934-0255

...
xx
TUBELESS VALVE E660F MTD-934-0255

...
xx
TUBELESS VALVE E6Q0F/E6C0F MTD-934-0255

...
xx
TUBELESS VALVE E660G MTD-934-0255

...
xx
TUBELESS VALVE E640E MTD-934-0255

...
xx
RIM ASSEMBLY 6.0 x 3.25 E600E MTD-734-1713A

...
xx
RIM ASSEMBLY 6.0 x 3.25 E600E MTD-734-1713A

...
xx
RIM ASSEMBLY 6.0 x 3.25 S610E MTD-734-1713A

...
xx
RIM ASSEMBLY E/S640F/G MTD-734-1708A

...
xx
RIM ASSEMBLY E660F MTD-734-1708A

...
xx
RIM ASSEMBLY E6Q0F/E6C0F MTD-734-1708A

...
xx
WHEEL RIM 8.0 x 5.38 x 7.30 E660G MTD-734-1711A

...
xx
RIM ASSEMBLY 6.0 x 3.25 E640E MTD-734-1713A

...
xx
13 x 4 Sleeve Bearing (2) E600E MTD-741-0101

...
xx
Sleeve Bearing .752" I.D. E600E MTD-941-0401

...
xx
Sleeve Bearing .752" I.D. S610E MTD-941-0401

...
xx
Sleeve Bearing .752" I.D. E/S640F/G MTD-941-0401

...
xx
Sleeve Bearing .752" I.D. E660F MTD-941-0401

...
xx
Sleeve Bearing .752" I.D. E6Q0F/E6C0F MTD-941-0401

...
xx
Sleeve Bearing .752" I.D. E660G MTD-941-0401

...
xx
Sleeve Bearing .752" I.D. E640E MTD-941-0401

...
xx
CHAIN E600E; If Equipped MTD-723-0425

...
xx
Tire Chains E6Q0F/E6C0F; If Equipped MTD-490-241-0028

...
xx
Tire Chains E640E; If Equipped MTD-490-241-0029

The Ryobi 31AE6Q0F034 2004 Snow Thrower delivers powerful snow removal with its heavy-duty construction and efficient operation. PartsWarehouse stocks genuine OEM parts for this model, ensuring your machine performs at its best during winter.

Why Choose Us for Ryobi 31AE6Q0F034 2004 Snow Thrower Parts?

At PartsWarehouse, we offer genuine parts for your Ryobi snow thrower, providing fast shipping and reliable customer service to help you keep your machine in top condition.

 

...
...
...
...
...
Processing