Welcome,
My Cart
0 item(s)

Models

Parts


product name

Ryobi 31AE660G034 (2003) Snow Thrower

Model: 31AE660G034 (2003)

Save
Part Not Listed?Part Not Listed?

product name

Belts & Engine Accessories

...
...
1
Hex Washer Screw 1/4-20 x .625 MTD-710-1652

...
2
Belt Cover MTD-731-1324

...
3
Extension Spring MTD-932-0710

...
4
Hex Screw 5/16-24 x .75 MTD-710-0627

...
5
Hex Cap Screw 3/8-16 x 1.25 MTD-710-3005

...
6
BRACKET-IDLR- MTD-05896A

...
7
Shoulder Spacer MTD-748-0234

...
8
HALF PULLEY MTD-956-0987

...
9
V - Belt MTD-954-0346

...
10
HALF PULLEY MTD-756-0986

...
11
SPRING WASHER BELL MTD-736-0270

...
12
HEX SCREW 1/4-28 x .50 GR5 MTD-710-0230

...
13
Flat Idler MTD-756-0313

...
14
SCREW 5/16-24 x .875 GR5 MTD-710-1245A

...
15
Lock Jam Nut 3/8-16 MTD-712-0181

...
16
Pulley Half MTD-756-0569

...
17
Bell Washer MTD-736-0242

...
18
Flat Washer MTD-736-0505

...
19
BELT: 3V X 35.00 LG MTD-954-0430C

...
20
Auger Pulley MTD-756-0967

...
21
Flat Washer 3/8 x 1.25 OD MTD-736-0247

...
22
Bell Washer MTD-736-0331

...
23
Hex Cap Screw 3/8-24 MTD-710-0696

...
24
Adapter Pulley MTD-948-0360

...
25
Hex Screw 3/8-16 x 1.0 MTD-710-0654A

...
26
3-Prong Extension Cord MTD-929-0071B

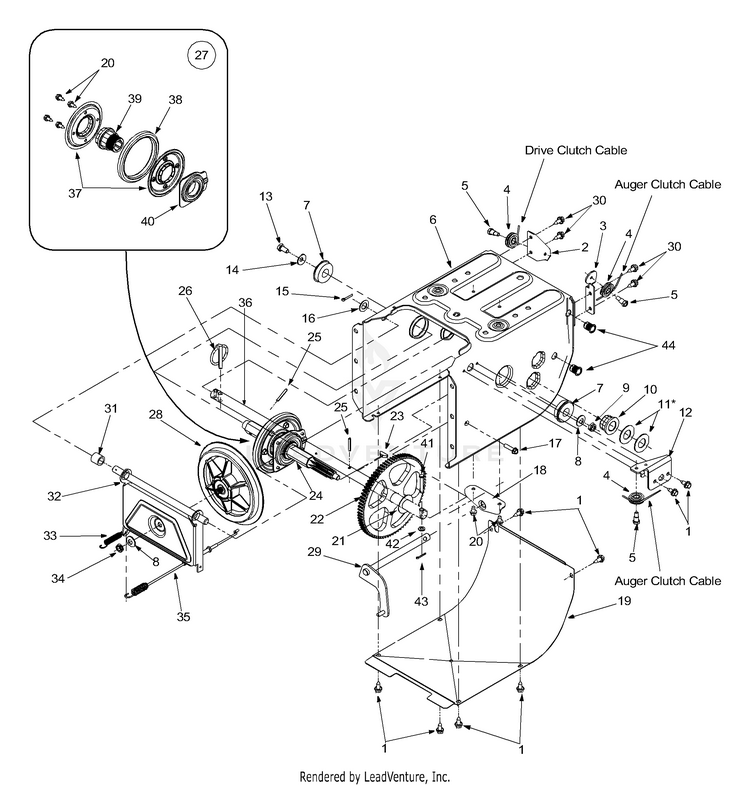
Frame

...
...
1
Self-tapping Screw, 1/4-20 x .625 MTD-710-1652

...
2
DRIVE GUIDE BRACKET MTD-784-5688

...
3
AUGER GUIDE BRACKET MTD-784-5687A

...
4
Cable Roller MTD-756-0625

...
5
Shlder Screw, .375 ID x 1/4-14 MTD-738-0924A

...
6
FRAME HOUSING MTD-784-5630B

...
7
BALL BEARING MTD-941-0563

...
8
Bell Washer MTD-736-0105

...
9
Lock Jam Nut MTD-712-0116

...
10
Hex Flange Bearing MTD-741-04026

...
11
Flat Washer Use more than one washer on either side, only if necessary to reduce axle-play. MTD-736-0188

...
12
GUIDE BRACKET MTD-784-5689A-0637

...
13
Lock Hex Screw MTD-710-0538

...
14
Bell Washer .340 ID x .872 OD MTD-736-0242

...
15
Cotter Pin MTD-714-0474

...
16
Flat Washer .536 ID x .930 OD MTD-736-0160

...
17
Self-tapping Screw, 1/4-20 x 1.25 MTD-710-0809

...
18
Frame Shift Bracket MTD-784-5590

...
19
FRAME COVER MTD-784-5638A

...
20
Hex Washer TT Screw 1/4-20 MTD-710-1652

...
21
Flat Washer .760 ID x .50 OD MTD-736-0351

...


...
24
7-Tooth Shaft MTD-917-04094

...
25
Spring Roll Pin 1.12" Lg. MTD-915-0249

...
26
Click Pin MTD-714-0143A

...
27
Wheel Assembly Friction MTD-984-0042C

...
28
Friction Wheel Disc Ass'y. MTD-956-0012A

...
29
SHIFT ROD ASSEMBLY MTD-684-04243

...
30
Self-tapping Screw, 1/4-20 x .5 MTD-710-0599

...
31

...
32
BRACKET ASSEMBLY MTD-984-0021-0637

...
33
Ext. Spring .38n O.D. x 2.5" MTD-932-0264

...
34
Jam Nut 3/8-24 MTD-712-0711

...
35
Cable-Drive Clutch MTD-946-0898

...
36
Axle 13" Wheels MTD-738-0869

...
xx
AXLE .750X24.5 MTD-738-0830

...
37
Wheel Assembly Friction MTD-984-0042C

...
38
Rubber Only MTD-935-0243B

...
39
Wheel Assembly Friction MTD-984-0042C

...
40
Friction Wheel Bearing MTD-618-0063A

...
41
Clevis Pin, 1/4 x 1.3725 MTD-711-1364

...
42
Flat Washer, .281 x .5 x .063 MTD-736-0142

...
43
Cotter Pin, .75 MTD-714-0507

...
44
INSERT NUT 5/16 MTD-712-0703A

Gear Assembly

...
...
1
RH Housing MTD-918-0123A

...
2
LH Housing MTD-918-0124A

...
3
Hex Screw 1/4-20 x .75 MTD-710-0642

...
4
24"AUGER SHAFT MTD-711-0908A

...
xx
26"AUGER SHAFT MTD-711-0909A

...
xx
Spiral Axle 28" MTD-711-0910A

...
5
KEY 3/16 x 5/8 H MTD-914-0161

...
6
Pin-Spiral MTD-715-0143

...
7
WORM GEAR 20T MTD-917-04861

...
8
IMPELLER SHAFT MTD-717P0526

...
9
Thrust Collar MTD-718-0186

...
10
Grease Plug MTD-721-0325

...
11
Grease Seal MTD-721-0327

...
12
Flat Washer .76 x 1.5 x .030 MTD-736-0351

...
13
Flat Washer .508 x 1.0 x .020 MTD-736-0369

...
14
Flat Washer .76 x 1.5 x .060 MTD-736-0445

...
15
Flange Bearing .75 x 1.0 x .59 MTD-741-0662

...
16
Flange Bearing .75 x 1.0 x .925 MTD-741-0663

...
17
GEARBOX ASSEMBLY 24" W FITTING MTD-918-0414B

...
xx
Gear Assembly: Auger 26" MTD-918-0415B

...
xx
Gear Assembly: Auger 28" MTD-918-0416B

General Assembly

...
...
1
Lock Jam Nut 3/8-24 MTD-712-0116

...
2
Flat Idler MTD-756-0178

...
3
Auger Idler Brkt. MTD-984-0064-0637

...
4
Hex Cap Screw 3/8-24 x 1.50 MTD-710-0459A

...
5
Shoulder Screw MTD-738-0281

...
6
Wave Washer MTD-936-0167

...
7
Ext. Spring 3.6" Lg. MTD-932-0611

...
8
Hex L-Nut 5/16-18 Thd. MTD-712-3009

...
9
HEX NUT 5/16-18 MTD-712-3010

...
10
Lock Wash. 5/16" I.D. MTD-936-0119

...
11
Housing MTD-05931A

...
12
Flange Ball Bearing MTD-941-0309

...
13
Carriage Bolt 5/16-18 x .75 MTD-710-0451

...
14
Reinforcement Chute MTD-705-5226

...
15
24" HOUSING ASSEMBLY MTD-684-0039D

...
xx
26" HOUSING ASSEMBLY MTD-684-0040D

...
xx
28" HOUSING ASSEMBLY MTD-684-0041D

...
16
Bearing Housing MTD-784-5618A-0637

...
18
Bell Washer MTD-736-0242

...
19
BUSHING .380 ID MTD-941-0475

...
20
Chute Crank Bracket MTD-784-5647-0637

...
21
Adapter Chute MTD-731-1379D

...
22
Hex Lock Nut 1/4-20 MTD-712-0324

...
23
Flat Washer MTD-736-0463

...
25
Carriage Screw 1/4-20 x .75 MTD-710-0703

...
26
Hex Washer TT Screw 5/16-18 MTD-710-0604A

...
27
Lock Washer 3/8 MTD-736-0169

...
28
Hex Nut 3/8-16 MTD-712-0798

...
30
Snow Shoe MTD-784-5580

...
?31
Snow Removal Tool MTD-931-2643

...
?32
CLEANOUT TOOL MOUNTING CLIP MTD-731-11421

...
33

...
xx
Shave Plate: Auger 26" MTD-790-00121-0637

...
xx
Shave Plate: Auger 28" MTD-790-00118-0637

...
34
Hex Flange Bearing MTD-941-0245

...
35
12" IMPELLER (3 BLADE) (POWDER BLACK) MTD-684-06276-0637


...
37
Lock Nut 5/16-18 MTD-712-0429

...
38
24" SPIRAL ASSEMBLY (RH) (POWDER BLACK) MTD-684-04180-0637

...
xx
Spiral Assembly: RH 26" MTD-684-04182-0637

...
xx
Spiral Assembly: RH 28" MTD-684-04184-0637

...
39
Flat Washer MTD-736-0188

...
40
FLANGE BUSHING MTD-741-0493C

...
41
Spiral 24" LH MTD-684-04181-0637

...
xx
26" SPIRAL ASSEMBLY (LH) (POWDER BLACK) MTD-684-04183-0637

...
xx
28" SPIRAL ASSEMBLY (LH) (POWDER BLACK) MTD-684-04185-0637

...
42
Shear Bolt 5/16-18 x 1.5 MTD-710-0890A

...
43
Cable-Auger Clutch MTD-946-0897

...
44
Snow Removal Tool MTD-931-2643

...
45
CLEANOUT TOOL MOUNTING CLIP MTD-731-11421

Handle & Chute

...
...
1
Cotter Pin MTD-714-0507


...
3
Hex Washer Screw 1/4-20 x .5 MTD-710-0599

...
4
Brkt., Handle Support - RH MTD-784-5680-0637

...
5
HANDLE BRACKET (LH) MTD-784-5679-0637

...
6
Cam Lock Handle MTD-748-0362

...
7
Handle Lock Pawl MTD-948-0363

...
8
Compression Spring MTD-732-0145

...
9
Clevis Pin MTD-711-0653

...

...
11
HANDLE-ENGAGEMENT (LH) MTD-684-0037B

...
12
Handle Support Bracket - LH MTD-784-5681

...
13
KIT-SHIFT HANDLE:S MTD-753-05395

...
14
Brkt., Handle Support - RH MTD-784-5682-0637

...
15
Torsion Spring MTD-732-0746

...
16
HANDLE-ENGAGEMENT (RH) MTD-684-0036A

...
17
Rubber Bumper MTD-735-0199A

...
18

...
19
Hex Nut 1/4-20 Used with ground wire; found on model's with an in-dash light only. MTD-712-0271

...
20
Hex L-Nut 5/16-18 Thd. MTD-712-3009

...
21
Cable "Z" Fitting MTD-946-0778

...
22
HANDLE PANEL ASSEMBLY MTD-684-0103A

...
23
Jam Lock Nut 3/8-24 MTD-712-0116

...
24
Compression Spring MTD-732-0193

...
25
Bell Washer MTD-736-0105

...
26
Cotter Pin MTD-714-0104

...
27
FLAT WASHER MTD-736-0275

...
28
Engagement Ferru MTD-911-0677

...
29
Hex Cap Screw 3/8-24 x 1.50 MTD-710-0459A

...

...
31
HANDLE (LH) MTD-749-0911C

...
xx
HANDLE (RH) (Not shown) MTD-749-0910C-0637

...
32
Special Screw, #10-16 x .625 MTD-710-04669

...
33
Handle Panel (w/o lamp cut-out) MTD-731-1391

...
34
Carriage Bolt 5/16-18 x 1.50 MTD-710-0262

...
35
Bell Washer .340 ID x .872 OD MTD-736-0242

...
36
Shift Rod MTD-747-0798A

...
37
Push Cap MTD-726-0100

...
38
Chute Knob MTD-720-0201A

...
39
HANDLE PANEL MTD-731-1392

...
40
Chute Crank Ass'y MTD-984-0022

...
41
UNKNOWN MTD-NA

...
42

...
43
Rubber Grommet MTD-735-0234

...
44
SHIFT ARM ASSEMBLY (POWDER BLACK) MTD-684-0008A-0637

...
45
Hex Washer Screw 1/4-20 x 1.0 MTD-710-0788

...
46
Handle Tab MTD-984-5599

...
47
Lock Wash. 5/16" I.D. MTD-936-0119

...
48
Hex Cap Screw 5/16-18 x 2 MTD-710-04039

...
49
SCREW 5/16-18 x .75 GR5 MTD-710-3008

...
50
Flat Washer MTD-736-0185

...
51
UPPER CHUTE (W/LBL MANUAL TILT) MTD-731-04426C

...
52
Lower Chute MTD-731-1300E

...
53
Hex L-Nut 5/16-18 Thd. MTD-712-3009

...
54
5/16 Washer MTD-736-0159

...
55
Carriage Bolt 5/16-18 x .75 MTD-710-0451

...
56
Carriage Screw 5/16-18 x 1.0 MTD-710-04071

...

...
58
LOCK NUT 1/4 MTD-912-3027

...
59
Flange Keeper MTD-731-0851A

...
60
Hex Cap Screw 1/4-20 x .75 MTD-710-3015

...
61
Lens/Lamp Assembly Housing MTD-925-1672

...
62
Headlight Retaining Wire MTD-747-1136

...

...
64
Halogen Light Harness MTD-929-0059

Wheels Assembly

...
...
1
SPACER; WHEEL SIZE 13 x 5; MODEL NUMBERS E600E, S610E MODEL NUMBERS E600E, S610E MTD-731-04044

...
1
SPACER MODEL NUMBERS E640F, E660F, E6C0F, E660G MTD-731-04043

...
2
WHEEL ASSEMBLY 13 x 5 MODEL NUMBERS E600E, S610E Includes one tire, one air valve, one painted rim and two sleeve bearings MTD-734-1714A

...
2
WHEEL ASSEMBLY 16X4.8 MODEL NUMBERS E640F, E660F, E6C0F Includes one tire, one air valve, one painted rim and two sleeve bearings MTD-734-1709A

...
2
WHEEL ASSEMBLY 16 x 6.5 MODEL NUMBER E660G Includes one tire, one air valve, one painted rim and two sleeve bearings MTD-734-1712A

...
xx
TIRE-SNOW HOG 13X5 TIRE-CODE MODEL NUMBERS E600E, S610E MTD-734-1527

...
xx
TIRE ONLY; WHEEL SIZE 16 x 4.8; MODEL NUMBERS E640F, E660F, E6C0F MODEL NUMBERS E640F, E660F, E6C0F MTD-734-1530

...
xx
TIRE ONLY; WHEEL SIZE 16 x 6.5; MODEL NUMBER E660G MODEL NUMBER E660G MTD-734-1525

...
xx
TUBELESS VALVE MODEL NUMBERS E600E, S610E, E640F, E660F, E6C0F, E660G MTD-934-0255

...
xx
RIM ASSEMBLY 6.0 x 3.25 MODEL NUMBERS E600E, S610E MTD-734-1713A

...
xx
RIM ASSEMBLY MODEL NUMBERS E640F, E660F, E6C0F MTD-734-1708A

...
xx
WHEEL RIM 8.0 x 5.38 x 7.30 MODEL NUMBER E660G MTD-734-1711A

...
xx
Sleeve Bearing .752" I.D. MODEL NUMBERS E600E, S610E, E640F, E660F, E6C0F, E660G MTD-941-0401
...
...
...
...
...
Processing