Welcome,
My Cart
0 item(s)

Models

Parts


product name

Ryobi 31AE162-034 (2004) Snow Thrower

Model: 31AE162-034 (2004)

Save
Part Not Listed?Part Not Listed?

product name

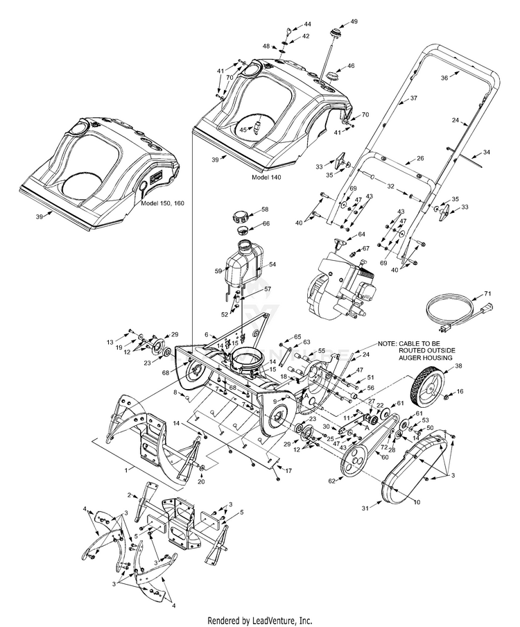
General Assembly

...
...
1
AUGER ASSEMBLY MTD-984-04027A

...
2
AUGER ASSEMBLY MTD-984-04027A

...
3
Hex Screw AB:1/4-14 x 0.625" MTD-710-0896

...
4
Rubber Spiral MTD-735-04032

...
5
Rubber Paddle MTD-735-04033

...
6
21" AUGER ASSEMBLY MTD-684-04028

...
7
Carriage Bolt 1/4-20 x .62" LG MTD-710-0134

...
8
CARRIAGE BOLT 1/4-20X.50" MTD-710-05177

...
9
Truss Mach Scr 5/16-18 x .75 MTD-710-0323

...
10
Hex "B" Tap Scr. 1/4-14 x .375" LG MTD-710-0352

...
11
SCREW 1/4-20 X1.00 GR5 MTD-710-0597

...
12
Hex Tap Scr. 1/4-20 x .5" Lg. MTD-710-0599

...
13
Hex Tap Scr. 1/4-20 x .75" MTD-710-0642

...
14
LOCK NUT 1/4 MTD-912-3027

...
15
Flat Washer .260 x .720 x .060 MTD-736-3090

...
16
Push Cap x 1/2" Rod MTD-726-0299

...
17
Shave Plate 2.66 x 19.88 Double MTD-731-1033

...
18
Extension Spring .33 OD x 1.12 Lg. MTD-732-0357A

...
19
Flat Washer .265 ID x .938 OD x .120 MTD-736-0176

...
20
Flat Washer .510 ID x 1.00 OD x .125 MTD-736-0326

...
22
BALL BEARING MTD-741P0919B

...
23
BALL BEARING MTD-941-0600

...
24
CLUTCH CABLE MTD-946-04091

...
25
Shoulder Spacer .25 THK MTD-7468-0234

...
26
LOWER HANDLE MTD-749-04114B

...
27

...
28
WASHER-BRG 2.12 OD x .255ID MTD-990-00062

...
29
BEARING CUP (POWDER BLACK) MTD-784-5174-0637

...
30

...
31
BELT COVER SINGLE STAGE MTD-790-00045C

...
32
Carriage Bolt 5/16-18 x 2.0 Gr. 1 MTD-710-0487

...
33
Handle Knob Assembly 5/16-18 MTD-720-0284

...
34
Cable Tie MTD-725-0157

...
35
Saddle Washer .320 ID x .93 OD MTD-736-0451

...
36
Bail Control MTD-747-04165-0637

...
37
Upper Handle MTD-749-1092A

...
38
Wheel-3 spoke, 7 x 1.61 MTD-734-04070

...
39
SHROUD ASSEMBLY MTD-984-04043

...
xx
SHROUD ASSEMBLY Model 150 & 160 MTD-984-04044

...
40
Hex Flange Screw 5/16-18 x 1.50 Gr. 5 MTD-710-1882

...
41
Special Screw, #10-16 x .625 MTD-710-04669

...
42
Hex Nut 5/8-32 x .12 Special MTD-712-0252

...
43
HEX NUT 5/16-18 MTD-712-3010


...
45
KEY SWITCH MTD-925-2018

...
46
SPARK PLUG CAP MTD-731-1133C

...
47
Lock Wash. 5/16" I.D. MTD-936-0119

...
48
L-Washer Internal .625 ID x 1.058 OD MTD-736-0225

...
49

...
50
Hex Screw 5/16-24 x .75 Gr. 5 MTD-710-0157

...
51
SCREW 5/16-18 x 1.5 LG Model 140 only MTD-710-0805A

...
xx
Hex Screw 5/16-18 x .625 Gr. 5 Model 150 & 160 MTD-710-3025

...
52
Hose Clamp MTD-726-0205

...
53
Cupped Washer .340 ID x .872 OD x .060 MTD-736-0242

...
54
SUPPORT-WI MTD-747-04169

...
55
Spacer.325" I.D. Model 140 only MTD-950-0589

...
56
SPACER Model 140 only MTD-750-0716A

...
57
FUEL HOSE 1/4-24" MTD-751-22813-24

...
58

...
59
FUEL TANK 2 QUART MTD-951-10023

...
60
V-Belt 1/2 x 35.0" Lg. MTD-954-0101A

...
61
HALF PULLEY MTD-956-04060

...
62
Pulley 1/2 V x 1/2-20 x 6.0 MTD-756-0475

...
63
MOUNT BRACKET MTD-790-00048-0637

...
64
HANDLE-REC MTD-7519630

...
65
HEX FLANGE NUT MTD-712-3004A

...
66
Fuel Plug 1.745 Dia x .75 w/Symbol MTD-731-2113B

...
67
CONTROL KNOB MTD-TC-35511

...
68
HEX SCREW 1/4-15 x .50 Model 140 only MTD-710-04187A

...
xx
Hex B-Tapp Wash Scr.#10-16 x .375 Model 150 & 160 MTD-710-1268

...
69
Flat Washer .320 ID x 1.25 OD MTD-736-0362

...
70
Flat Washer .194" ID x .62" OD x .063 MTD-736-0400

...
71
2 PRONG EXTENSION CORD Model 150 & 160 MTD-629-0236

...
72
Flat Washer, 5/8 ID x 1.0 OD Model 140 only MTD-736-0337

...
xx
Kit, Auger Rubber Replacement MTD-753-04472

The Ryobi 31AE162-034 2004 Snow Thrower is designed to efficiently handle large volumes of snow. Its durable build and powerful engine ensure fast and effective snow removal. PartsWarehouse offers this model a full range of genuine OEM parts, helping you keep your snow thrower in top condition.

Why Choose Us for Ryobi 31AE162-034 2004 Snow Thrower Parts?

At PartsWarehouse, we stock genuine parts for your Ryobi snow thrower, ensuring quick delivery and expert customer service to keep your machine working efficiently.

 

...
...
...
...
...
Processing