Welcome,
My Cart
0 item(s)

Models

Parts


product name

Ryobi 280r 41FR280G034 Gas Blower

Model: 280r 41FR280G034 41FR280G034 280r

Save
Part Not Listed?Part Not Listed?

product name

Blower Parts

...
...
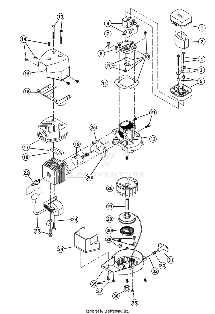
1
ASSEMBLY, TRIGGER MTD-791-00036

...
2
Primer Bulb and Hose Assembly MTD-791-683974B

...
3
WASH, PRIM MTD-791-181671

...
4
Fuel Return Line MTD-791-181086

...
5
Fuel Cap Assembly MTD-791-182612

...
6
ASSEMBLY, FUEL TANK COMPLETE (includes items 4, 5 and 7) MTD-791-147350

...
7
FUEL LINE ASSEMBLY MTD-791-147036

...
8
ASSEMBLY, R.H. ENGINE C MTD-791-180484

...
9
ASSEMBLY, SWITCH & WIRE LEAD MTD-791-180450

...
10
THROTTLE CABLE MTD-791-00029

...
11
Cover Screws MTD-791-181345

...
12
ASSEMBLY, L.H. ENGINE C MTD-791-180485

...
13
ASSEMBLY, SCREW & WASHE MTD-791-180058

...
14
HSG, UPPER BLOWER/ MTD-791-180478

...
15
NOZ:DISCH TUBE:MAC MTD-791-180469

...
16
BLOWER TUBE MTD-791-180480

...
17
ASSEMBLY, CLAMP MTD-791-180481

...
18
IMPELLER, 7-VANE BLOWER MTD-791-180453

...
19
ASSEMBLY, MOUNTING BOLT MTD-791-181514

...
20
ASSEMBLY, LOWER BLOWER MTD-791-180482

...
xx
Shoulder Strap Assembly Optional Accessory; Not Shown MTD-791-682075B

...
xx
2-CYCLE OIL Optional Accessory; Not Shown MTD-791-147543

Engine Parts

...
...
1
ASSEMBLY:AIR CLNR COVER (includes 2) MTD-791-683378

...
2
FILTER, AI MTD-791-612111

...
3
ASSEMBLY Choke MTD-791-683380

...
4
ASSEMBLY, CARBURETOR MO MTD-791-180351

...
5
BASE, AIR MTD-791-181512

...
6
Carburetor Assembly (includes 7) MTD-753-04349

...
7
CARBURETOR GASKET MTD-791P610675

...
8
SCR, 10-24X.750 PH MTD-791-180221

...
9
REED VALVE ASSEMBLY MTD-791-684451

...
10
CARB MT AS MTD-753-04350

...
11
Reed Plate Gasket MTD-753-1208

...
12
CRANKCASE & PSHF ASSEMBLY (includes items 8) MTD-753-04328

...
13
ASSEMBLY, MUFFLER MOUNTING BOLTS MTD-791-147575

...
14
ASSEMBLY, MOUNT MTD-791-181517

...
15
SHIELD, HE MTD-791-181522

...
16
SHIELD, HE MTD-791-181518

...
17
MFLR ASSEMBLY (Includes 18) MTD-791-181521

...
18
MUFFLER GASKET MTD-791-00027

...
19
PISTON ASSEMBLY:W/ROD/RIN MTD-753-04367

...
20
CYL:31CC: BLO/VAC: (includes 21 & 25) MTD-753-04358

...
21
Cylinder Bolt MTD-791-182723

...
22
Spark Plug MTD-791-610311B

...
23
MODULE ASSEMBLY WITH HARDWARE MTD-753-04324

...
24
TAB, GROUND MTD-791-611063

...
25
GASKET, CYLINDER MTD-791-181519

...
26
Flywheel Assembly MTD-753-05240

...
27

...
28
ASSEMBLY, PULLEY RETAINER MTD-791-180930

...
29
PULLEY:START MTD-753-1199

...
30
Recoil Spring MTD-791-613102

...
31
Pull Handle MTD-631-04164B


...
33
Rope Guide MTD-791-611061

...
34
EXTEN, SHR MTD-791-181585

...
35
ASSEMBLY, STARTER HOUSING MTD-791-181931

...
36
NUT, DRIVE IMPELLE MTD-791-181524

...
37
Shroud Extension Screw MTD-791-181345

...
38
SCREW:10-32X.5 MTD-1964

...
xx
Piston Ring Not Shown MTD-753-1209

...
xx
O.E.M. Carburetor Repair Kit Not Shown MTD-791-153308

...
xx
Gasket-Diaphragm Repair Kit Not Shown MTD-791-153309

PartsWarehouse is your go-to source for Ryobi 280r 41FR280G034 Gas Blower parts. Whether you’re performing routine maintenance or a necessary repair, our extensive collection of OEM parts guarantees that you’ll find exactly what you need. All parts are sourced directly from the manufacturer to ensure the durability, quality, and performance that Ryobi tools are known for. Trust PartsWarehouse to supply authentic Ryobi 280r 41FR280G034 Gas Blower parts to keep your equipment operating at peak efficiency.

Why Choose Us for Ryobi 280r 41FR280G034 Gas Blower Parts?

For Ryobi 280r 41FR280G034 Gas Blower replacement parts, PartsWarehouse stands out as the top online provider. We offer a wide selection of parts, paired with fast and reliable shipping, so you can complete your repairs without delay. Our friendly and knowledgeable customer service team is always available to help you find the right parts for your blower. Explore our inventory and place your order today! For further assistance, feel free to contact us via email, phone, or text—we’re always ready to assist you.

 

...
...
...
...
...
Processing