Models
Parts
Model: TP-3000
Breather
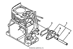
Camshaft
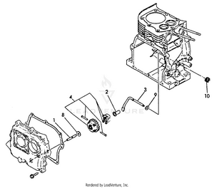
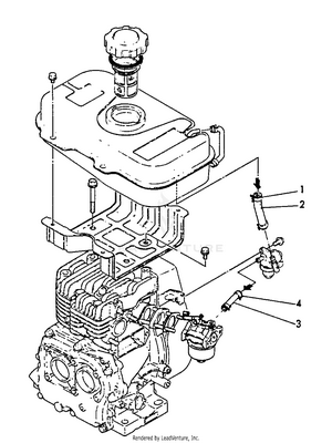
Carburetor
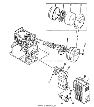
Connecting Rod, Piston
Crankshaft, Main Bearing
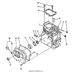
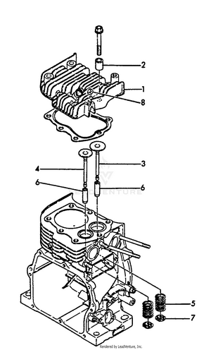
Cylinder Block
Cylinder Head
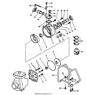
Fan Housing
Fuel Pipe
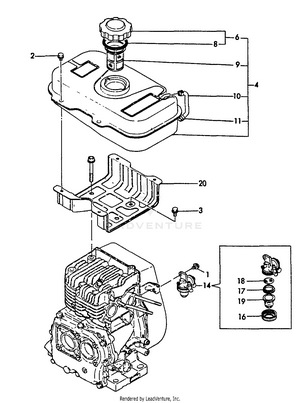
Fuel Tank
Gasket Kit
Governor
Ignition, Stop Switch
Intake, Exhaust, Air Cleaner
Label
Oil Sensor
Pump
Starter
Throttle, Governor Lever
Tool
Model: 1AHF08390
In Stock
Replaced By :
Please call us at 866-243-2721 or talk with us by sending us more information. We want to verify availability before placing your order.
For Customer Service inquiries please E-mail info@partswarehouse.com, Call 866.243.2721 or Text 972.383.9129
Mon - Sat 7AM - 7PM CT
Mon - Sat 6AM-2AM CT
Track your order
Reviews
FAQs
Price Match Guarantee
Sign in for faster checkout.