Welcome,
My Cart
0 item(s)

Models

Parts


product name

Echo TP-2000 Trash Pump

Model: TP-2000

Back To Assemblies

Save
Part Not Listed?Part Not Listed?
product name

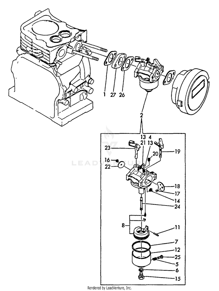
Carburetor

...
...
1
GASKET, EXHAUST ECH-Y16031013200

...
2





...
8
NEEDLE ASSY (SUS) ECH-Y16061056280


...
12
BODY, FLOAT CHAMBER ECH-Y16061056640


...
14




...
18
VALVE, CHOKE ECH-Y16061056680

...
19
SHAFT, CHOKE ECH-Y16061056690

...
20


...
22
VALVE, THROTTLE ECH-Y16061056760

...
23
SHAFT ASSY, THROTTLE ECH-Y16071056770

...
24
NOZZLE, MAIN ECH-Y16061156800


...
26
GASKET, INTAKE ECH-Y16061056150

...
...
...
...
...
Processing