Welcome,
My Cart
0 item(s)

Models

Parts


product name

Echo TC-2100 Type 1 S/N: 001001 - 999999 Tiller/Cultivator

Model: TC-2100 Type 1 S/N: 001001 - 999999

Back To Assemblies

Save
Part Not Listed?Part Not Listed?

product name

Clutch, Ignition, Starter

...
...
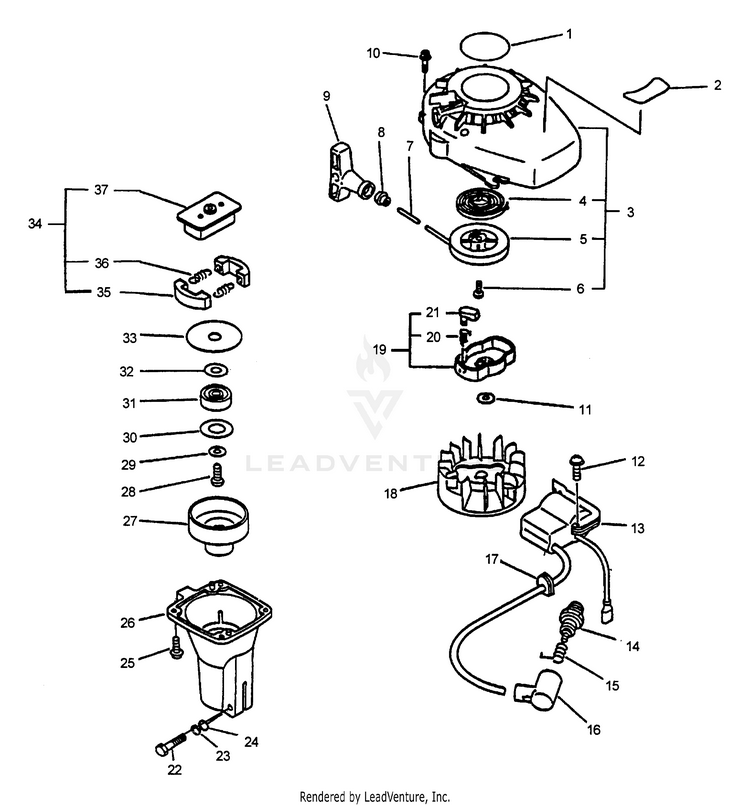
1
LABEL - STARTER - ECHO ECH-X502000330

...
2
LABEL - TC-2100 ECH-89011211760

...
3
STARTER ASSY INCLUDES ITEMS 4-9 S/N: 001001 - 011089 ECH-17720006563

...
3
STARTER ASSY INCLUDES ITEMS 4-9 S/N: 011090 - 999999 ECH-17720006563

...
4
SPRING, RECOIL ECH-P022019680

...
5
REEL, ROPE S/N: 001001 - 011089 ECH-17721544430

...
5
REEL, ROPE S/N: 011090 - 999999 ECH-17721544430


...
7
BULK STARTER ROPE - 3.0 MMx61 M ECH-99944440000

...
8
GUIDE, ROPE ECH-17722742030

...
9
GRIP, STARTER S/N: 001001 - 011089 ECH-17722806530

...
9
GRIP, STARTER S/N: 011090 - 999999 ECH-17722811120

...
10
SCREW 4x16 ECH-90023804016

...
11
WASHER, SPRING 8 ECH-90060500008

...
12
SCREW 4x22 ECH-90016204022

...
13
COIL, IGNITION S/N: 001001 - 006089 ECH-15662611820

...
13
COIL, IGNITION S/N: 006090 - 320441 ECH-15662611820

...
13
COIL, IGNITION S/N: 320442 - 999999 ECH-15662611820

...
14
SPARK PLUG - BPM6A ECH-15901012330

...
14
SPARK PLUG - BPM7Y ECH-99944500071R

...
15
TERMINAL, SPARK PLUG ECH-15901103432

...
16
CAP, SPARK PLUG ECH-15901201620

...
17

...
18
FLYWHEEL S/N: 001001 - 006089 ECH-15680144330

...
18
FLYWHEEL S/N: 006090 - 999999 ECH-15680144330

...
19
PAWL ASSY, STARTER INCLUDES ITEMS 20-21 S/N: 001001 - 014146 ECH-17720212220

...
19
PAWL ASSY, STARTER INCLUDES ITEMS 20-21 S/N: 014147 - 999999 ECH-17720212220

...
20
SPRING, RETURN ECH-17723412220

...
21
PAWL, STARTER - BLACK S/N: 014147 - 999999 - QTY = 2 ECH-17721844330

...
22
BOLT 5 S/N: 001001 - 013593 ECH-13041611520

...
22
BOLT 5 S/N: 013594 - 999999 ECH-13041611520

...
23
WASHER, SPRING 5 S/N: 001001 - 013593 ECH-90060500005

...
24
WASHER, FLAT 5.5x10x0.8 S/N: 001001 - 013593 ECH-90060000005

...
25
SCREW 4x14 ECH-90023804014

...
26
CASE, CLUTCH ECH-61022311520

...
27
DRUM, CLUTCH ECH-17501004635

...
28
SCREW 6x12 ECH-90023806012

...
29
WASHER, CLUTCH ECH-17501411520

...

...
31
BEARING, BALL 6000-2RLB ECH-90080836000

...
32
WASHER 10.5x18x1.6 ECH-90060000010

...
33
PLATE, CLUTCH ECH-17501904630

...
34
CLUTCH ASSY INCLUDES ITEMS 35 - 37 ECH-17500007531

...
35
SHOE, CLUTCH ECH-17500905131

...
36
SPRING, CLUTCH ECH-17501805130

...
37
HUB, CLUTCH ECH-17501605020
...
...
...
...
...
Processing