Welcome,
My Cart
0 item(s)

Models

Parts


product name

Echo SRS-2100 Type 1 Shaft Reciprocating Saw

Model: SRS-2100 Type 1

Back To Assemblies

Save
Part Not Listed?Part Not Listed?

product name

Popular Parts

Popular Parts


Carburetor

...
...
xx
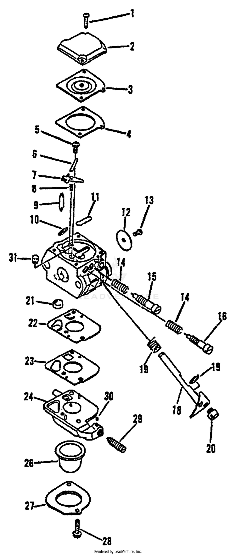
CARBURETOR Includes The Following Items ECH-12520050633


...
2
COVER, METERING DIAPHRAGM ECH-12534252130

...
3
DIAPHRAGM Use Rebuild Kit P/N 12530042030 And Gasket/Diaphragm Kit P/N 12530342030 ECH---

...
4
GASKET, DIAPHRAGM Use Rebuild Kit P/N 12530042030 And Gasket/Diaphragm Kit P/N 12530342030 ECH---


...
6
PIN, METERING LEVER Use Rebuild Kit P/N 12530042030 ECH---

...
7
LEVER, METERING Use Rebuild Kit P/N 12530042030 ECH---

...
8
SPRING Use Rebuild Kit P/N 12530042030 ECH---

...
9
VALVE, NEEDLE Use Rebuild Kit P/N 12530042030 ECH---

...

...
11
PLUG, WELCH Use Rebuild Kit P/N 12530042030 ECH---

...
12
VALVE, THROTTLE ECH-12531642030


...
14
SPRING, COIL ECH-125319-42030

...
15
NEEDLE, HIGH SPEED ECH-12532047630

...
16
NEEDLE, IDLE ECH-12531851330

...
17
SPRING, THROTTLE RETURN ECH-12531342030

...
18
SHAFT, THROTTLE ECH-12531742030


...

...
21
STRAINER Use Rebuild Kit P/N 12530042030 ECH---

...
22
DIAPHRAGM, PUMP Use Rebuild Kit P/N 12530042030 And Gasket/Diaphragm Kit P/N 12530342030 ECH---

...
23
GASKET, PUMP Use Rebuild Kit P/N 12530042030 And Gasket/Diaphragm Kit P/N 12530342030 ECH---

...
24
BODY ASSY, PURGE ECH-12532411610

...
26
BULB, PURGE ECH-P005003120

...
27


...
29
SCREW, IDLE ADJUST ECH-12533413930

...
30
PIECE, FRICTION ECH-12537813930

...
31
NOZZLE, CHECK VALVE ECH-12537611610
...
...
...
...
...
Processing