Welcome,
My Cart
0 item(s)

Models

Parts


product name

Echo SRM-200D Brushcutter

Model: SRM-200D

Back To Assemblies

Save
Part Not Listed?Part Not Listed?
product name

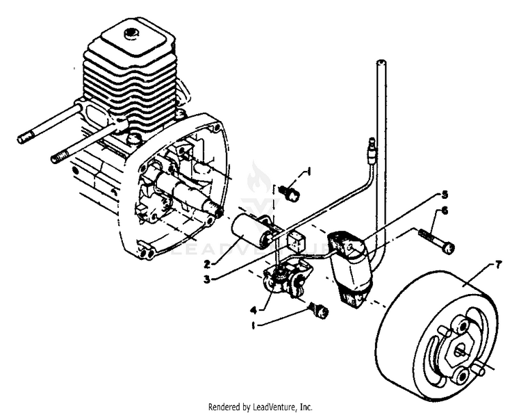
Ignition

...
...
1
SCREW 4x10 ECH-90024204010

...
2

...
3

...
4
CONTACT POINT SET ECH-15610104630

...
5
COIL, IGNITION ECH-15612604630

...
6
SCREW - 4x24 ECH-90024104024

...
7
...
...
...
...
...
Processing