Welcome,
My Cart
0 item(s)

Models

Parts


product name

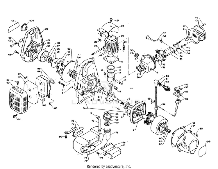
Echo SRM-200D Brushcutter

Model: SRM-200D

Back To Assemblies

Save
Part Not Listed?Part Not Listed?

product name

Engine, Crankcase, Stop Switch

...
...
1
CRANKSHAFT ECH-10010005331

...
2
BEARING, BALL 6201 ECH-9403536201

...
3
PIN, LOCATING 4 ECH-V622000020

...
4
GASKET, CRANKCASE ECH-10024204630

...
5
CRANKCASE KIT ECH-10020006130

...
6
RING, SNAP 32 ECH-90070200032

...
7
SEAL, OIL 12 ECH-10021203930

...
8
SEAL, OIL 12 ECH-V505000140

...
9
SCREW 5x28 ECH-90024205028

...
10
KEY, WOODRUFF ECH-61032502730


...
14
BEARING, NEEDLE 8 ECH-17501203930

...
15
PIN, PISTON ECH-10001310210

...
16
RING, SNAP ECH-10001504630

...
17
PISTON KIT ECH-10000005330

...
18
RING, PISTON ECH-10001105330

...
19
GASKET, CYL. BASE ECH-10101004631

...
20

...
21
SCREW 5x16 ECH-90024005016

...
22
BOLT, STUD ECH-10101404930

...
23
SHIELD, CYLINDER ECH-10151405230

...
24
SCREW 5x10 ECH-90024005010

...
25
SCREW - 4x8 ECH-90024004008

...
27
GASKET, INTAKE ECH-13001005330

...
28
CASE, CARBURETOR ECH-13030605230

...
29
LABEL - CAUTION ECH-89004104320

...
30

...

...
32
CARBURETOR - WA-21 ECH-12300005230

...

...
34
SHUTTER, CHOKE ECH-17851504630

...
35
WASHER 5.2x8x0.8T ECH-17851600830

...
36
GROMMET, CHOKE ECH-17881005230

...
37
ROD, CHOKE ECH-17851005230


...


...
41

...
42
FILTER, AIR ECH-13031004320

...
43
COVER, AIR FILTER ECH-13031304320

...
44
SCREW 4x10 ECH-90022004010

...
50
CAP, SPARK PLUG ECH-15901201620

...
51
TERMINAL, SPARK PLUG ECH-15901103432

...
52


...
54

...
55
SCREW 5x10 ECH-90024105010

...
56
LABEL - ON-OFF ECH-89015711130

...
57
BRACKET, SWITCH ECH-16381006130

...
58
IGNITION SWITCH ASSY ECH-16340006130

...
59
LABEL - ECHO ECH-89001200601

...

...
61
WASHER, SPRING 8 ECH-90060500008

...
62
NUT 8x1.25 ECH-90050200008

...
63
GASKET, STARTER ECH-10061504631

...
64
STARTER ASSY ECH-17720004630

...
65
SCREW 4x20 ECH-90024004020

...
66
LABEL - FUEL MIX ECH-89015403930

...
xx
CAP ASSY Includes ITEMS 67 - 69 ECH-13160022130


...

...
69
HOLDER, CHECK VALVE ECH-13101504931

...
71
TANK, FUEL ECH-13101005230

...
72
FUEL PIPE ITEM IS NO LONGER AVAILABLE ECH-13201005231

...
73
FILTER, FUEL ECH-A369000470

...
74
WASHER 5.5x12x0.8 ECH-90060300005

...
75
BRACKET, FUEL TANK ECH-13191804630

...
76
CUSHION, FUEL TANK ECH-13192405330

...
77

...
78
CUSHION, FUEL TANK ECH-13192005330

...
79
BRACKET, FUEL TANK ECH-13191005330

...
80

...
83
GASKET, MUFFLER ECH-14551004630

...
84

...
85
WASHER, FLAT 5.5x10x0.8 ECH-90060000005

...
86
NUT, LOCK M5 ECH-90056000005

...
87

...

...
89
SCREW 5x10 ECH-90024205010

...
90
COVER, MUFFLER ECH-14562105231

...
91
SCREW 5x16 ECH-90024205016


...
93
SHOE, CLUTCH ECH-17500905131

...
94
SPRING, CLUTCH ECH-17501805130

...
95
PLATE, CLUTCH ECH-17501904630

...
96
WASHER, CLUTCH ECH-17501504630

...
97
BEARING, BALL 6000 ECH-90080806000

...

...
99
DRUM, CLUTCH ECH-17501004635

...
100

...
101
BOLT M6x10 ECH-90010506010

...
102

...
103
SCREW 4x18 ECH-90024204018

...
104
COVER, SPARK PLUG ECH-15901504630

...
105
BOLT - 5x25 ECH-90010005025

...
106
LABEL - NAME ECH-89013506830
...
...
...
...
...
Processing