Welcome,
My Cart
0 item(s)

Models

Parts


product name

Echo SRM-200CE Brushcutter

Model: SRM-200CE

Back To Assemblies

Save
Part Not Listed?Part Not Listed?
product name

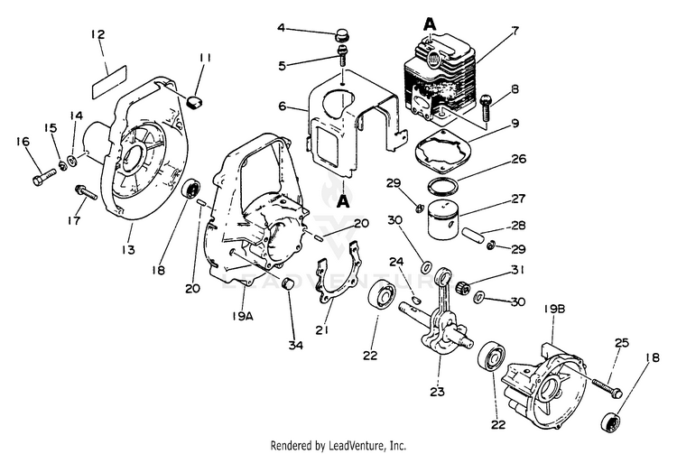
Engine, Crankcase, Fan Housing Cover

...
...
4
SCREW - SOCKET HEAD CAP ECH-88051609220

...
5
SCREW 5x10 ECH-90024205010

...
6
COVER, CYLINDER ECH-10151409320

...
7

...
8
SCREW 6x20 ECH-90024206020

...
9
GASKET, CLY.BASE ECH-10101004921


...
12
LABEL - MODEL ECH-89011542330

...
13

...
14
WASHER, FLAT 5.5x10x0.8 ECH-90060000005

...
15
WASHER, SPRING 5 ECH-90060500005

...
16

...
17
SCREW 4x20 ECH-90024204020

...
18
SEAL, OIL 12 ECH-10021305530

...
19
CRANKCASE KIT Includes ITEM 20 ECH-10020007420

...
19A
CRANKCASE KIT See Ref No. 19, Crankcase set , 10020007420 ECH-10020007420

...
19B
CRANKCASE KIT See Ref No. 19, Crankcase set ,P\N 10020007420 ECH-10020007420

...
20
PIN, LOCATING 4 ECH-V622000020

...
21
GASKET, CRANKCASE ECH-10024204920

...
22
BEARING, BALL 6201 ECH-9403536201

...
23
CRANKSHAFT ASSY ECH-10010007420


...
25
SCREW 5x30 ECH-90024205030

...
26
RING, PISTON ECH-10001105330

...
27
PISTON KIT ECH-10000006521

...
28
PIN, PISTON ECH-10001310210

...
29
RING, SNAP ECH-10001504630

...
30
WASHER, THRUST ECH-10001406520

...
31
BEARING, NEEDLE ECH-10011305930

...
...
...
...
...
Processing