Models
Parts
Model: SRM-200CE
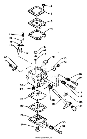
Carburetor
Clutch, Ignition, Starter
Driveshaft, Handles, Ignition Switch, Throttle
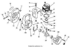
Engine, Crankcase, Fan Housing Cover
Fuel System
Intake, Exhaust, Air Cleaner
Shield, Gear Case, Harness, Tools
215211 Pro Maxi-Cut Head
21560030 ECHOmatic Pro Head
21560031 ECHOmatic Pro Head
21560050 ECHOmatic Head
21560055 Semi-Auto Head Assembly
21560056 2-Line Rapid Loader Trimmer Head
35130420331 U-Handle Kit
99944200035 Tri-Cut Blade with Glide Cup - 20mm Arbor
99944200200 SRM Shoulder Harness Kit
99944200220 Heavy Duty Fixed Line Head
99944200230 Semi-Auto Dual Line Head
99944200400 Blade Conversion Kit
99944200415 Universal Blade Conversion Kit
99944200455 Barrier Bar
SRAC-200 Tiller/Cultivator Attachment
Model: 1AHF08390
In Stock
Replaced By :
Please call us at 866-243-2721 or talk with us by sending us more information. We want to verify availability before placing your order.
For Customer Service inquiries please E-mail info@partswarehouse.com, Call 866.243.2721 or Text 972.383.9129
Mon - Sat 7AM - 7PM CT
Mon - Sat 6AM-2AM CT
Track your order
Reviews
FAQs
Price Match Guarantee
Sign in for faster checkout.