Welcome,
My Cart
0 item(s)

Models

Parts


product name

Echo SRM-140D Brushcutter

Model: SRM-140D

Back To Assemblies

Save
Part Not Listed?Part Not Listed?
product name

Clutch, Exhaust, Fan Case, Fuel System, Intake, Starter

...
...
1
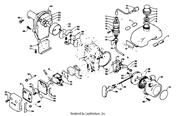
LABEL - FUEL MIX ECH-89015415130

...
xx
CAP ASSY Includes item 2 thru 5 ECH-13160022130



...
4
HOLDER, CHECK VALVE ECH-13101504931

...
5
GASKET, FUEL CAP ECH-13101604931

...
6
FUEL TANK KIT ECH-13100207330

...
7
FUEL TANK KIT ECH-13100207330

...
8
LABEL - FUEL VALVE ECH-89015906530

...
9
FILTER, FUEL ECH-A369000480

...
10
PIPE, FUEL ITEM IS NO LONGER AVAILABLE ECH-13201004630

...
11
NUT 8x1.25 ECH-90050200008

...


...


...
16
SCREW 4x14 ECH-90022004014

...

...
18
FUEL VALVE ASSY ECH-13220006530

...
19
PIPE, FUEL 3x6x85 BLACK ECH-13201006531

...
21
PLATE, MODEL ECH-89015111231

...
22
SCREW 4x18 ECH-90024204018

...
xx
STARTER ASSY Includes items 23 thru 30 ECH-17720006030

...
23
CASE, STARTER ECH-17720906030

...
24
SPRING, RECOIL ECH-17722006530

...
25
REEL, ROPE ECH-17721506530

...
26
ROPE, STARTER 3.0x850 RePower BULK OPTION: 99944445000 ECH-17722606530

...
27
GUIDE, ROPE ECH-17722705330

...
28
GRIP, STARTER ECH-17722806530

...
29
WASHER 4.1x15.5x1T ECH-17721404630

...
30
SCREW 4x10 ECH-90024204010

...
31
PAWL CATCHER ECH-17721006530

...

...
33

...
34
SPACER 5.2x8x2.1 ECH-17724704630

...
35
SCREW 5x10 ECH-90024205010

...
36
GASKET, STARTER ECH-10061506530

...


...
40
GASKET, INTAKE ECH-13001006530

...
41
INSULATOR, INTAKE ECH-13001707330

...
42

...
43
CARBURETOR - WA-80 ECH-12300006320

...
45
CASE, AIR FILTER ECH-13030106530

...
44

...
46
SHUTTER, CHOKE ECH-17851506530

...
47
WASHER 5.2x8x0.8T ECH-17851600830

...

...
49
SCREW 5x57 ECH-90024105057

...
50
SCREW 5x57 ECH-90024205057

...
51
FILTER, AIR ECH-13031006530

...
52
AIR CLEANER COVER W/SCREW ECH-13030205020

...
53
SCREW 4x16 ECH-90024204016

...
54
LABEL - CAUTION ECH-89015806530

...
57
PLATE, CLUTCH ECH-17501906530

...
58
HUB, CLUTCH ECH-17501606530

...
59
SPRING, CLUTCH ECH-17501806530

...
60
SHOE, CLUTCH ECH-17501704631

...
61
DRUM, CLUTCH ECH-17500506530

...
62
RING, SNAP 28 ECH-90070200028

...
63
BEARING, BALL ECH-9404206001

...
64
RING, SNAP 12 ECH-90070100012

...
65

...
68

...
69
SCREW 5x22 ECH-90024205022

...
70
BRACKET, CUSHION ECH-30511005931

...
71
SCREW 5x12 ECH-90024105012
...
...
...
...
...
Processing