Models
Parts
Model: QV-6700 Type 1E
Carburetor
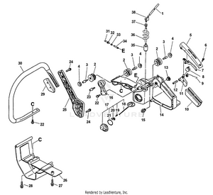
Clutch Asy, Cutting Attachment, Chainbrake
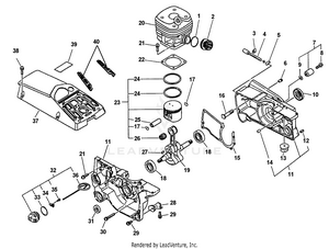
Engine, Crankcase, Cylinder, Piston
Handles, Throttle Control, Fuel System
Ignition, Starter Asy
Intake, Exhaust, Air Cleaner
Oiler Assembly
99944700190 CSG_QV Storage Case
99988800045 QuikVent Carbide Saw Chain
99988800141 QuikVent Guide Bar
99988801140 QuikVent Blade Cover
Model: 1AHF08390
In Stock
Replaced By :
Please call us at 866-243-2721 or talk with us by sending us more information. We want to verify availability before placing your order.
For Customer Service inquiries please E-mail info@partswarehouse.com, Call 866.243.2721 or Text 972.383.9129
Mon - Sat 7AM - 7PM CT
Mon - Sat 6AM-2AM CT
Track your order
Reviews
FAQs
Price Match Guarantee
Sign in for faster checkout.