Welcome,
My Cart
0 item(s)

Models

Parts


product name

Echo QV-6700 Type 1 Quick Vent Saw

Model: QV-6700 Type 1

Back To Assemblies

Save
Part Not Listed?Part Not Listed?
product name

Carburetor

...
...
xx
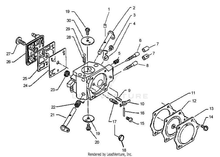
CARBURETOR S/N 001001 - 003450. INCLUDES THE FOLLOWING ECH-12300032432

...
xx
CARBURETOR HDA-145B S/N 003451 & UP. INCLUDES THE FOLLOWING ECH-12300032632

...
1
PLUG, FRICTION Use Repair Kit HDA-76 P/N 12310019830, Repair Kit HDA-151A P/N 12310032630 and Diaphragm/Gasket Kit P/N 12310117330 ECH---

...
2
SHAFT, CHOKE ECH-12313119830


...
4
STOP, THROTTLE HDA-76 ECH-12315612330

...
4
STOP, THROTTLE HDA-151A ECH-12315630830

...
5
SPRING, IDLE ADJUST ECH-12313311130

...
6
NEEDLE, HIGH SPEED HDA-76 ECH-12312032430

...
6
NEEDLE, HIGH SPEED HDA-151A ECH-12312032631

...
7
CAP, LIMITER HDA-151A ECH-12315139230

...
8
NEEDLE, IDLE HDA-76 ECH-12311818331

...
8
NEEDLE, LOW SPEED HDA-151A ECH-12311802260

...
9
SPRING, METERING LEVER Use Repair Kit HDA-76 P/N 12310019830 and Repair Kit HDA-151A P/N 12310032630 ECH---

...
10
LEVER, METERING Use Repair Kit HDA-76 P/N 12310019830 and Repair Kit HDA-151A P/N 12310032630 ECH---

...
11
GASKET, METERING Use Repair Kit HDA-76 P/N 12310019830, Repair Kit HDA-151A P/N 12310032630 and Diaphragm/Gasket Kit P/N 12310117330 ECH---

...
12
DIAPHRAGM, METERING Use Repair Kit HDA-76 P/N 12310019830, Repair Kit HDA-151A P/N 12310032630 and Diaphragm/Gasket Kit P/N 12310117330 ECH---

...
13
COVER, METERING DIAPHRAGM ECH-12314217330

...
14
SCREW Use Repair Kit HDA-76 P/N 12310019830, Repair Kit HDA-151A P/N 12310032630 and Diaphragm/Gasket Kit P/N 12310117330 ECH---

...
15
SCREW, METERING LEVER PIN Use Repair Kit HDA-76 P/N 12310019830 and Repair Kit HDA-151A P/N 12310032630 ECH---

...
16
PIN, METERING LEVER Use Repair Kit HDA-76 P/N 12310019830 and Repair Kit HDA-151A P/N 12310032630 ECH---

...
17
VALVE, INLET NEEDLE Use Repair Kit HDA-76 P/N 12310019830 and Repair Kit HDA-151A P/N 12310032630 ECH---

...
18
PLUG, WELCH Use Repair Kit HDA-76 P/N 12310019830 and Repair Kit HDA-151A P/N 12310032630 ECH---

...
19
VALVE, THROTTLE ECH-12313216130


...
21
SHAFT, THROTTLE ECH-12311732630

...
22
SPRING, THROTTLE RETURN ECH-12311316130

...
23
STRAINER Use Repair Kit HDA-76 P/N 12310019830 and Repair Kit HDA-151A P/N 12310032630 ECH---

...
24
DIAPHRAGM, PUMP Use Repair Kit HDA-76 P/N 12310019830, Repair Kit HDA-151A P/N 12310032630 and Diaphragm/Gasket Kit P/N 12310117330 ECH---

...
25
GASKET, PUMP Use Repair Kit HDA-76 P/N 12310019830, Repair Kit HDA-151A P/N 12310032630 and Diaphragm/Gasket Kit P/N 12310117330 ECH---

...
26
COVER, FUEL PUMP ECH-12312419830


...

...
29
BALL, CHOKE FRICTION ECH-12313610630

...
30
VALVE, CHOKE ECH-12313232430

...
xx
REPAIR KIT, CARBURETOR HDA-76 ECH-12310019830

...
xx
REPAIR KIT HDA-151A ECH-12310032630

...
xx
GASKET / DIAPHRAGM KIT ECH-12310117330
...
...
...
...
...
Processing