Welcome,
My Cart
0 item(s)

Models

Parts


product name

Echo QV-6700 Type 1 Quick Vent Saw

Model: QV-6700 Type 1

Back To Assemblies

Save
Part Not Listed?Part Not Listed?

product name

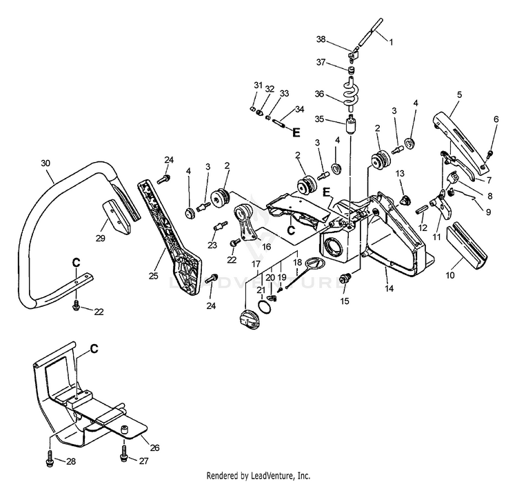
Handles, Throttle Control, Fuel System

...
...
1
PIPE, FUEL 3x6x100 RePower BULK OPTION: 90015 ECH-43721720761

...

...

...
4
CAP, CUSHION ECH-10091819830

...
5
COVER, HANDLE ECH-35115530131

...
6
SCREW 4x14 ECH-90023804014

...
7
LEVER, THROTTLE LOCKOUT ECH-17809037930

...
8
CUSHION,?THROTTLE ECH-17807332430

...
9
SPRING, THROTTLE RETURN ECH-17804319830


...
11
TRIGGER, THROTTLE - ORANGE ECH-17801038130

...
12
PIN, SPRING 5x25 MM ECH-90034250025


...
14
HANDLE, REAR ECH-35110338134

...
15
LATCH, THROTTLE ECH-P100011150

...
16

...
17
CAP ASSY, FUEL INCLUDES ITEMS 18 - 21 ECH-P021037420

...
18
CONNECTOR, CAP L= 60 MM ECH-A365000050

...
19
SCREW, TAPPING 3x8 ECH-90024603008

...
20
RETAINER, CONNECTOR ECH-13105019830

...
21

...
22

...
23

...
24
SCREW 5x20 ECH-90023805020

...
25
BRACKET, HANDLE S/N 001001 - 003450 ECH-35161607060

...
25
BRACKET, GRAY HANDLE S/N 003451 & UP ECH-35161638230


...
27

...
28

...
29
BRACKET, HANDLE S/N 001001 - 003450 ECH-35161433530

...
29
BRACKET, HANDLE S/N 003451 & UP ECH-35161438230

...
30
HANDLE, FRONT ECH-35160638130

...
31
VENT ASSY ECH-A356000031

...
32
HOLDER, VENT ECH-13132840630

...
33

...
34
PIPE, VENT ECH-13131232430

...
35
FILTER, FUEL ECH-A369000460

...
36
PIPE, FUEL ECH-13201030831

...
37

...
38
CONNECTOR, PIPE ECH-13201133031
...
...
...
...
...
Processing