Welcome,
My Cart
0 item(s)

Models

Parts


product name

Echo QV-6700 Type 1 Quick Vent Saw

Model: QV-6700 Type 1

Back To Assemblies

Save
Part Not Listed?Part Not Listed?

product name

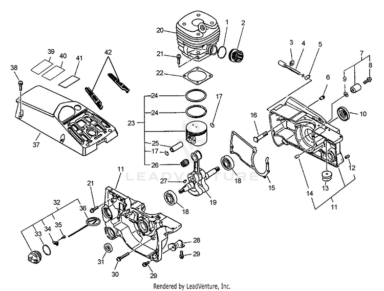
Engine, Crankcase, Cylinder, Piston

...

...
2
ADAPTOR, INTAKE ECH-13051032430


...
4
SCREW, ADJUSTER ECH-43301611031

...
5
TENSIONER, CHAIN ECH-43301402830

...
6

...
7
CHAIN CATCHER KIT INCLUDES ITEMS 8 & 9 ECH-P200000610

...
8
SCREW 5x18 ECH-90022005018

...
9
WASHER, FLAT 5.5x10x0.8 ECH-90060000005

...
10

...
11
CRANKCASE KIT INCLUDES ITEMS 6, 10, 12 - 16, 18 & 31 ECH-10020438137

...
12
PIN, SPRING 5x10 ECH-90034550010

...
13

...
14
PIN, LOCATING 5x10 ECH-10021502830

...
15
GASKET, CRANKCASE ECH-10024232430

...
16
STUD, GUIDE BAR 8 ECH-43301119831

...
17
RING, SNAP ECH-10001500230

...
18
BEARING, BALL 6202 ECH-90081036202

...
19
CRANKSHAFT ECH-10010032430

...
20
CYLINDER KIT INCLUDES ITEMS 22 ECH-10100132431

...
21

...
22
GASKET, CYLINDER ECH-10101032431

...
23
PISTON KIT Includes ITEMS 17, 24 - 26 ECH-10000032432

...
24
RING, PISTON ECH-10001132431

...
25
PIN, PISTON ECH-10001332430

...
26
BEARING, NEEDLE ECH-10001232430

...
27
KEY, WOODRUFF ECH-10014230830

...
28

...
29

...
30
BOLT M5x35 ECH-90016205035

...
31

...
32
CAP ASSY, OIL INCLUDES ITEMS 33 - 36 ECH-43600137933

...

...
34
RETAINER, CONNECTOR ECH-13105019830

...
35
SCREW, TAPPING 3x8 ECH-90024603008

...
36
CONNECTOR, CAP L= 60 MM ECH-A365000050

...
37
COVER, CYLINDER ECH-10150638134

...
38
SCREW 5x20 ECH-90023805020

...
39
LABEL - CAUTION ECH-89019232630

...
40
LABEL - UL - KICK BACK ECH-89019130131

...
41
LABEL - CAUTION - KICK BACK ECH-89019132632

...
42
FILTER KIT ECH-13081132330
...
...
...
...
...
Processing