Welcome,
My Cart
0 item(s)

Models

Parts


product name

Echo PPF-2620 S/N: E60615001001 - E60615999999 Pole Saw

Model: PPF-2620 S/N: E60615001001 - E60615999999

Back To Assemblies

Save
Part Not Listed?Part Not Listed?
product name

Engine

...
...
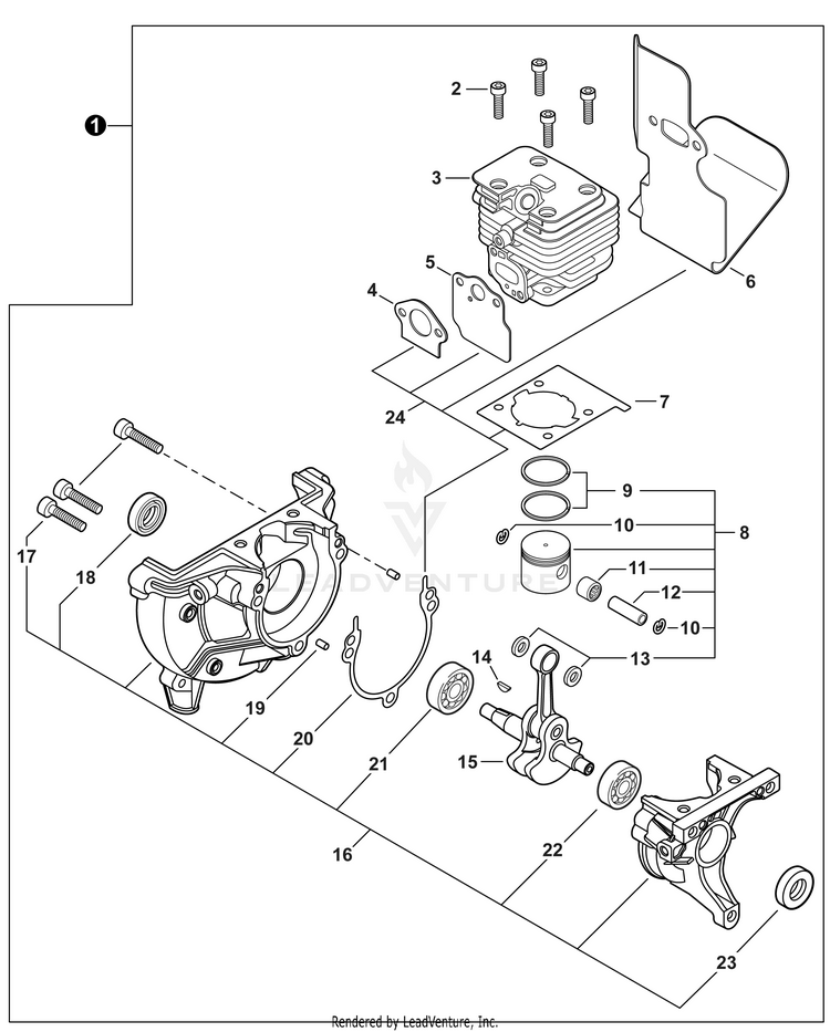
1
SHORT BLOCK Includes items 2-23 ECH-SB1118

...
2
BOLT, TORX 5x20 ECH-V805000210

...
3

...
4
GASKET, INTAKE ECH-V103001900

...
5
HEAT SHIELD, INTAKE ECH-V103001890

...
6
HEAT SHIELD, EXHAUST ECH-V104002310

...
7
GASKET, CYLINDER ECH-V100000840

...
8
PISTON KIT Includes items 9-13 ECH-P021050840

...
9
RING, PISTON ECH-A101000010

...
10
RING, SNAP ECH-10001503931

...
11
BEARING, NEEDLE 9 ECH-V554000020

...
12
PIN, PISTON ECH-10001335430

...
13
WASHER, THRUST ECH-10001453630

...
14
KEY, WOODRUFF ECH-10014212330

...
15
CRANKSHAFT ASSY ECH-A011001660

...
16
CRANKCASE KIT Includes items 17-23 ECH-P100014630

...
17
BOLT, TORX 5x25 ECH-V805000220

...
18
SEAL, OIL 12 ECH-10021242031

...
19
PIN, LOCATING 4x8 ECH-90033040080

...
20
GASKET, CRANKCASE ECH-V102000300

...
21
BEARING, BALL 6001 ECH-90080036001

...
22
BEARING, BALL ECH-90081036000

...
23
SEAL, OIL 10 ECH-V503000040

...
24
GASKET KIT: ENGINE, INTAKE, EXHAUST ECH-P021051540
...
...
...
...
...
Processing