Models
Parts
Model: PAS-230 S/N: S67711001001 - S67711001223
90008 RePower FILTER KIT
90010 RePower CAP AND VENT KIT
90104 RePower FUEL SYSTEM KIT
90152 RePower TUNE-UP KIT
Carburetor -- RB-K70A
Clutch, Fan Case -- GRAY MODELS
Control Handle, Control Cable Assembly
Coupler
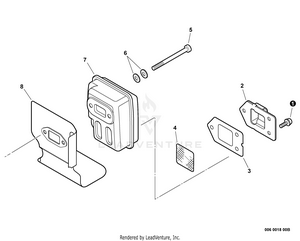
Engine Cover, Exhaust Cover
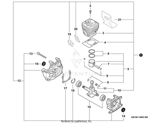
Engine, Short Block -- SB1061
Exhaust S/N: S67711001001 - S67711001140
Exhaust S/N: S67711001141 - S67711999999
Front Handle
Fuel System
Ignition
Intake
Labels
Main Pipe Assembly, Driveshaft
P021003900 Gasket Kit
Starter
Tools
35130454230 U-Handle Kit
99944200200 SRM Shoulder Harness Kit
99944200411 20mm Blade Conversion Kit
99944200415 Universal Blade Conversion Kit
99944200455 Barrier Bar
99944200485 Hedge Trimmer Attachment
99944200521 U-Handle_Blade Conversion Combo Kit
99944200563 ProThatch Attachment
99944200610 Rapid Loader Trimmer Attachment
99944200630 Attachment Hanger Kit
Model: 1AHF08390
In Stock
Replaced By :
Please call us at 866-243-2721 or talk with us by sending us more information. We want to verify availability before placing your order.
For Customer Service inquiries please E-mail info@partswarehouse.com, Call 866.243.2721 or Text 972.383.9129
Mon - Sat 7AM - 7PM CT
Mon - Sat 6AM-2AM CT
Track your order
Reviews
FAQs
Price Match Guarantee
Sign in for faster checkout.