Models
Parts
Model: PAS-230 S/N: 05001001 - 05999999
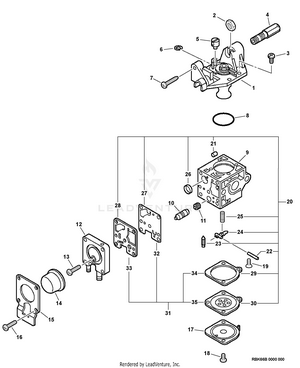
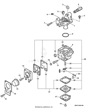
Carburetor -- RB-K66 S/N: 05001001 - 05001953
Carburetor -- RB-K66 S/N: 05001954 - 05003915
Carburetor -- RB-K66B S/N: 05003916 - 05010252
Carburetor -- RB-K70 S/N: 05010253 - 05999999
Clutch, Fan Case
Control Handle, Control Cable Assembly
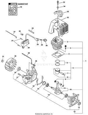
Engine, Short Block, Ignition, Cylinder Cover
Exhaust
Front Handle
Intake
Main Pipe Assembly, Driveshaft, Coupler -- Upper
P021003900 Gasket Kit
Starter, Fuel System
35130454230 U-Handle Kit
99944200200 SRM Shoulder Harness Kit
99944200411 20mm Blade Conversion Kit
99944200415 Universal Blade Conversion Kit
99944200455 Barrier Bar
99944200485 Hedge Trimmer Attachment
99944200521 U-Handle_Blade Conversion Combo Kit
99944200563 ProThatch Attachment
99944200610 Rapid Loader Trimmer Attachment
99944200630 Attachment Hanger Kit
Model: 1AHF08390
In Stock
Replaced By :
Please call us at 866-243-2721 or talk with us by sending us more information. We want to verify availability before placing your order.
For Customer Service inquiries please E-mail info@partswarehouse.com, Call 866.243.2721 or Text 972.383.9129
Mon - Sat 7AM - 7PM CT
Mon - Sat 6AM-2AM CT
Track your order
Reviews
FAQs
Price Match Guarantee
Sign in for faster checkout.