Welcome,
My Cart
0 item(s)

Models

Parts


product name

Echo PAS-225 S/N: T44912001001 - T44912999999 Pro Attachment Series

Model: PAS-225 S/N: T44912001001 - T44912999999

Back To Assemblies

Save
Part Not Listed?Part Not Listed?

product name

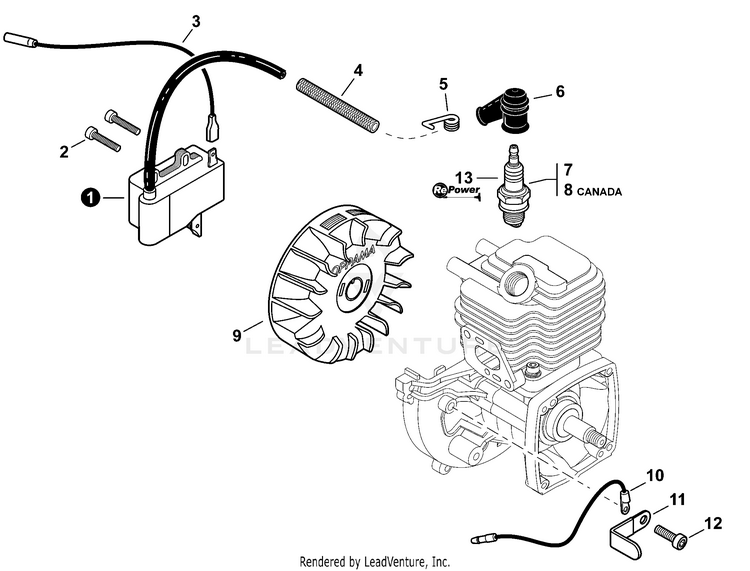
Ignition

...
...
1
COIL, IGNITION ECH-A411000131

...
2
BOLT, TORX 4x20 ECH-V804000070

...
3
LEAD - IGNITION L= 210 ECH-V485001120

...
4
TUBE, INSULATOR 8 L= 65 ECH-V475007200

...
5
TERMINAL, SPARK PLUG ECH-A426000010

...
6
CAP, SPARK PLUG ECH-A427000013

...
7
SPARK PLUG - BPM8Y ECH-15901019830

...
8
SPARK PLUG - BPMR8Y See RePower Maintenance Kits ECH-A425000000

...
9

...
10
LEAD - GROUND L= 115 ECH-16201427230


...
12
BOLT, TORX 5x10 ECH-V805000130

...
13
TUNE-UP KIT - YOUCAN™ See RePower Maintenance Kits ECH-90152Y
...
...
...
...
...
Processing