Models
Parts
Model: PAS-211
Carburetor -- C1U-K58
Crankcase, Cylinder Cover, Engine
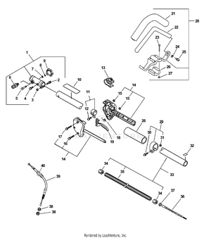
Driveshaft, Coupling, Handles, Throttle, Stop Switch
Fan Housing Assembly, Clutch, Ignition
Gasket Kit -- P021001591
Intake, Exhaust
Starter Assembly, Fuel System
21560030 ECHOmatic Pro Head
21560031 ECHOmatic Pro Head
21560050 ECHOmatic Head
35130454130 U-Handle Kit
99944200220 Heavy Duty Fixed Line Head
99944200230 Semi-Auto Dual Line Head
99944200411 20mm Blade Conversion Kit
99944200415 Universal Blade Conversion Kit
99944200451 U-Handle_Blade Conversion Combo Kit
99944200455 Barrier Bar
99944200485 Hedge Trimmer Attachment
99944200510 Cultivator Attachment
99944200521 U-Handle_Blade Conversion Combo Kit
99944200530 Power Pruner Attachment
99944200590 Articulating Hedge Trimmer Attachment
99944200610 Rapid Loader Trimmer Attachment
99944206000 Crack Chaser Wire Wheel
SRAC-200 Tiller/Cultivator Attachment
Model: 1AHF08390
In Stock
Replaced By :
Please call us at 866-243-2721 or talk with us by sending us more information. We want to verify availability before placing your order.
For Customer Service inquiries please E-mail info@partswarehouse.com, Call 866.243.2721 or Text 972.383.9129
Mon - Sat 7AM - 7PM CT
Mon - Sat 6AM-2AM CT
Track your order
Reviews
FAQs
Price Match Guarantee
Sign in for faster checkout.