Models
Parts
Model: HPP-1890 S/N: 1457- 1606-1993 and 94 Models
Brush Kit
Car Wash Nozzle
Cart Kit
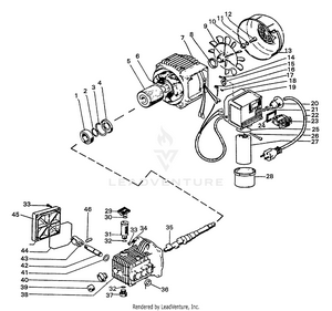
Crankcase, Crankshaft, Piston, Electric Motor, Switch
Foam Kit NO21
Lance Assembly
Manifold, Unloader, Inlet, Pressure Gauge, Injector
Rebuild Kits
Rotox Nozzle Asy
Sand Blast Kit
Seals, Valves, Motor Housing, Hose, Accessories
Spray Gun
Model: 1AHF08390
In Stock
Replaced By :
Please call us at 866-243-2721 or talk with us by sending us more information. We want to verify availability before placing your order.
For Customer Service inquiries please E-mail info@partswarehouse.com, Call 866.243.2721 or Text 972.383.9129
Mon - Sat 7AM - 7PM CT
Mon - Sat 6AM-2AM CT
Track your order
Reviews
FAQs
Price Match Guarantee
Sign in for faster checkout.