Welcome,
My Cart
0 item(s)

Models

Parts


product name

Echo HPP-1890 -- 1991 Models Power Washer

Model: HPP-1890 -- 1991 Models

Back To Assemblies

Save
Part Not Listed?Part Not Listed?
product name

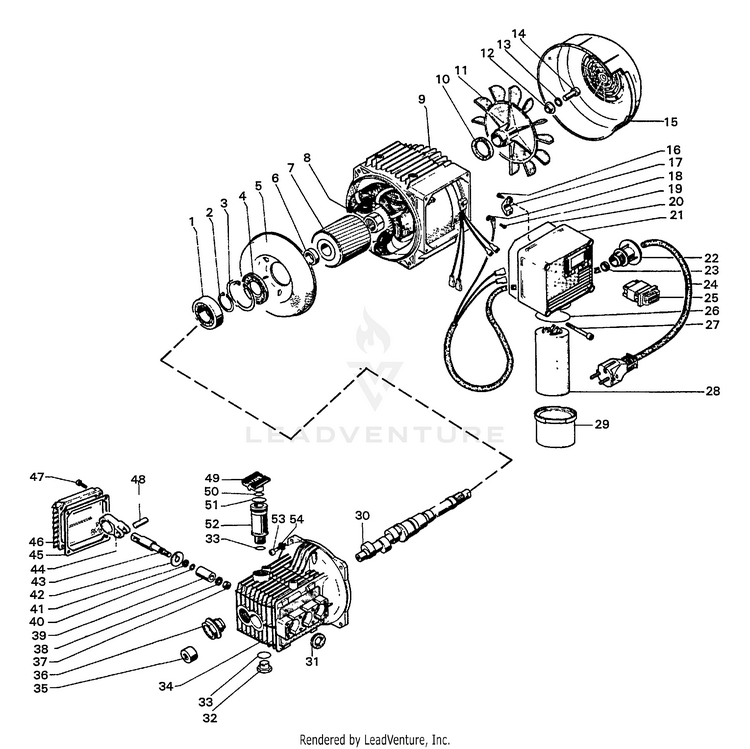
Crankcase, Crankshaft, Piston, Electric Motor, Switch

...
...
1
BEARING, BALL ECH-7391837300

...
2
RING, RETAINING ECH-7390066700

...
3
RING, SNAP ECH-7390085000

...
4
SEAL, OIL ECH-7390165000

...
5
COVER, ENGINE ECH-7345208551

...


...
8

...



...

...
13

...
14
SCREW M8x20 ECH-7399305900

...
15
COVER, FAN ECH-7345040051

...

...

...
18
WASHER M5.3 ECH-7396691300

...
19
SCREW M5x12 ECH-7399151500

...
20

...
21
COVER, SWITCH ECH-7345212451

...
22
HOLDER, CABLE ECH-7345212751

...
23
GROMMET, CORD GRIP ECH-7345212147

...
24
CABLE, COMPLETE ECH-7310720901

...
25
SWITCH, IGNITION ECH-7393502800

...
26
O-RING 1.925x.103 ECH-7390388900

...
27
SCREW M5x65 ECH-7399170500

...
28
CONDENSER ECH-7393568800

...
29
COVER, CAPACITOR ECH-7345212051

...
30
CRANKSHAFT ECH-7355020335

...
31
SEAL ASSY, OIL ECH-7334008301


...
33
O-RING 13 95x2 62 ECH-7390383300

...
34
CRANKCASE ECH-7355010022

...
35
NEEDLE, BEARING ECH-7391801400

...
36
INDICATOR, OIL LEVEL ECH-7397596800

...
37
NUT M8x13x5 ECH-7392221600

...
38

...
39

...
40
O-RING 5 28x1 78 VITON ECH-7390357200

...
41
RING, ANTI-EXTRUSION ECH-7390502200

...
42

...
43
GUIDE, PISTON ECH-7351050056

...
44
ROD, CONNECTING ECH-7351030022

...
45
GASKET, COVER ECH-7351210184

...
46
COVER, CRANKCASE ECH-7351160322

...
47
SCREW 6x18 ECH-7399186700


...
49
COVER, OIL FILTER ECH-7355211051

...
50
O-RING 9 92x2 62 ECH-7390382200

...
51
O-RING 18 72x2 62 VITON ECH-7390384500

...
52
SPACER, DIPSTICK ECH-7355210051

...
53
SCREW M6x25 ECH-7399189700

...
54
LOCKWASHER - 6 ECH-7396693800
...
...
...
...
...
Processing