Welcome,
My Cart
0 item(s)

Models

Parts


product name

Echo EG-750 Electric Generator

Model: EG-750

Back To Assemblies

Save
Part Not Listed?Part Not Listed?
product name

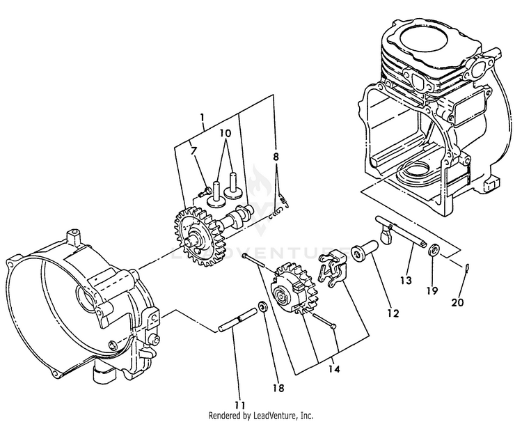
Camshaft

...
...
1
CAMSHAFT ASSY ECH-Y16066414100

...
7
PIN, DECOMP. ECH-Y16066414550



...
11
SHAFT, GOVERNOR ECH-Y16061061100

...
12
SPINDLE, GOVERNOR ECH-Y16061061300

...
13
SHAFT, GOVERNOR LEVER ECH-Y16066461310

...
14
GOVERNOR GEAR ASSY ECH-Y16066461600


...
19

...
20
PIN - 6 - SNAP ECH-Y22360060000
...
...
...
...
...
Processing