Models
Parts
Model: EG-750
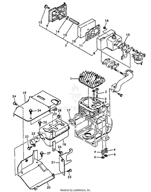
Air Cleaner, Cylinder Head, Muffler
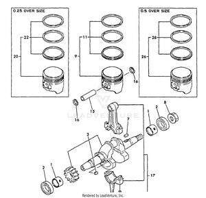
Bearing, Crankshaft, Piston, Rod
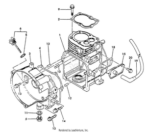
Breather, Cylinder Body
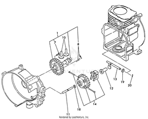
Camshaft
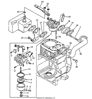
Carburetor
Electrical Panel, Accessories
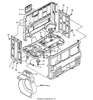
External Covers
Fuel System, Oil Sensor
Gasket Kit
Generator
Labels
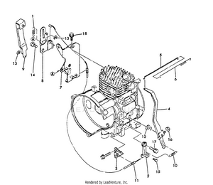
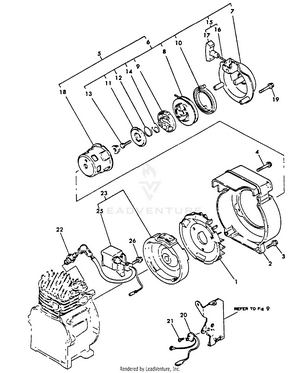
Starter, Ignition, Fan Housing
Throttle, Governor
Model: 1AHF08390
In Stock
Replaced By :
Please call us at 866-243-2721 or talk with us by sending us more information. We want to verify availability before placing your order.
For Customer Service inquiries please E-mail info@partswarehouse.com, Call 866.243.2721 or Text 972.383.9129
Mon - Sat 7AM - 7PM CT
Mon - Sat 6AM-2AM CT
Track your order
Reviews
FAQs
Price Match Guarantee
Sign in for faster checkout.