Welcome,
My Cart
0 item(s)

Models

Parts


product name

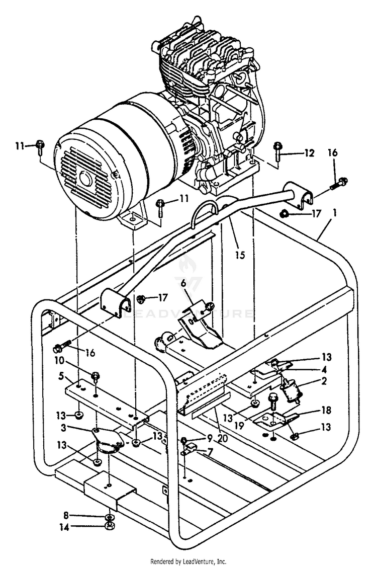
Echo EG-4300E Electric Generator

Model: EG-4300E

Back To Assemblies

Save
Part Not Listed?Part Not Listed?
product name

Frame

...

...
2
DAMPER, FRONT ECH-Y18392008210

...
3
DAMPER, REAR ECH-Y18392008220

...
4
STAY, DAMPER ECH-Y18392008230

...
5
STAY, REAR DAMPER ECH-Y18372008250

...
6
COVER, DAMPER ECH-Y18392008260


...
8
LOCKWASHER - 10 ECH-Y22217100000

...
9
BOLT - 6x8 - PLATED ECH-Y26106060082

...
10
BOLT - 8x20 - PLATED ECH-Y26106080202

...
11
BOLT - 8x30 - PLATED ECH-Y26106080302

...
12
BOLT - 8x38 - PLATED ECH-Y26106080382

...
13

...
14


...
16
BOLT - 6x40 ECH-Y26106060402

...
17

...
18
DAMPER STAY, LOWER ECH-Y18362108260

...
19
BOLT - 8x16 - PLATED ECH-Y26106080162

...
20
SHEET, FRAME ECH-Y18382507910
...
...
...
...
...
Processing