Welcome,
My Cart
0 item(s)

Models

Parts


product name

Echo EG-4300E Electric Generator

Model: EG-4300E

Back To Assemblies

Save
Part Not Listed?Part Not Listed?
product name

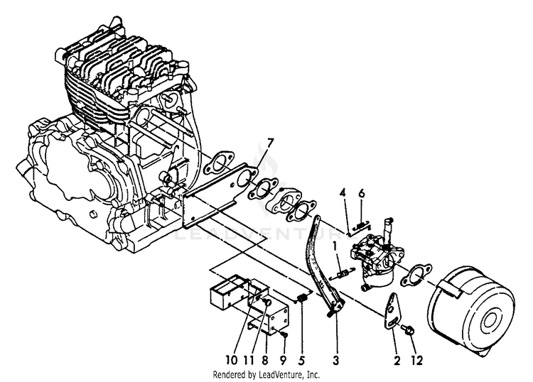
THROTTLE, GOVERNOR LEVER

...
...
1
SPRING, REGULATOR ECH-Y16097066020

...
2
HANDLE, REGULATOR ECH-Y16097066120

...
3
LEVER, GOVERNOR ECH-Y16090366150

...
4
LINK, THROTTLE ECH-Y16091066200


...
6
SPRING, TENSION ECH-Y16091066320

...
7
MOUNT, SOLENOID ECH-Y18310166330

...
8
HOLDER, SOLENOID ECH-Y18310066350

...
9
SCREW - 3x4 ECH-Y18310066450

...
10
PIN - 2.5x20 - COTTER ECH-Y22417250200

...
11
SCREW - 5x10 ECH-Y26023050102

...
12
BOLT - 6x8 - PLATED ECH-Y26476060142
...
...
...
...
...
Processing