Welcome,
My Cart
0 item(s)

Models

Parts


product name

Echo EG-4300E Electric Generator

Model: EG-4300E

Back To Assemblies

Save
Part Not Listed?Part Not Listed?
product name

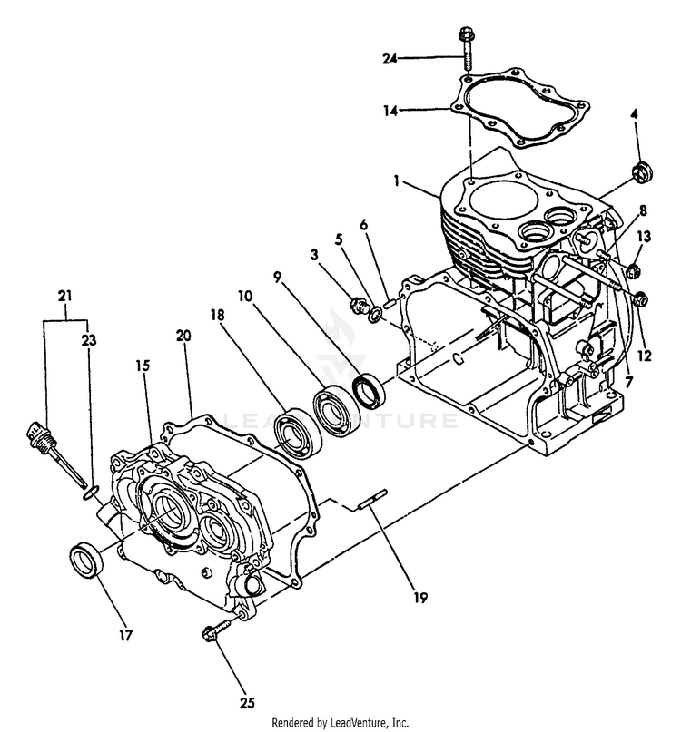
Cylinder Block

...
...
1
CYLINDER BLOCK SET ECH-Y76097001560

...
3
PLUG, DRAIN ECH-Y16061001690



...
6
PARALLEL PIN 6x16 ECH-Y22312060160

...
7
STUD M8x95 PLATED ECH-Y26216080952

...
8
STUD - PLATED ECH-Y26226080182

...
9

...
10
BEARING, BALL 6206C4 ECH-Y24101062060

...
12

...
13

...
14
GASKET, CYLINDER ECH-Y16091001330

...
15
COVER, CRANKCASE ECH-Y6094001500

...
17

...
18
BEARING, BALL 6206C4 ECH-Y24101062060

...
19
SHAFT, GOVERNOR ECH-Y16061061100

...
20
GASKET, CRANKCASE ECH-Y16091001410

...
21

...
23
O-RING 1A P-18.0 ECH-Y24311000180

...
24
BOLT - 8x50 ECH-Y16061004180

...
25
BOLT - 8x30 - PLATED ECH-Y26106080302
...
...
...
...
...
Processing