Models
Parts
Model: EG-4300E
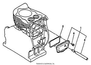
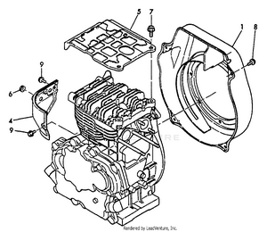
Breather
Camshaft
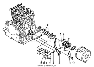
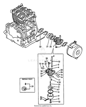
Carburetor
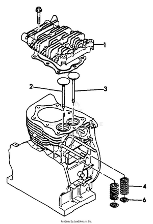
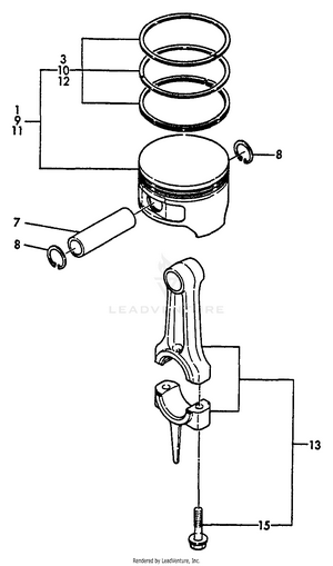
Connecting Rod, Piston
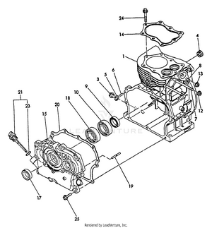
Crankshaft, Main Bearing
Cylinder Block
Cylinder Head
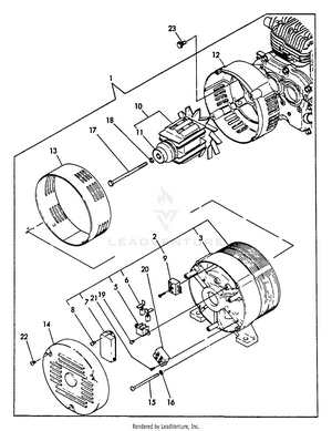
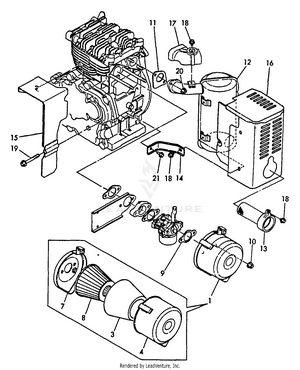
Fan Housing
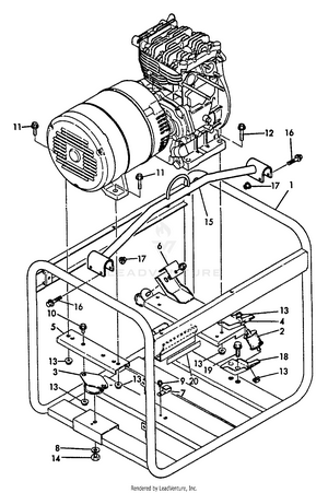
Frame
Fuel Line
Fuel Tank
Gasket Kit
Generator
Governor
Intake, Exhaust, Air Cleaner
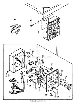
Label
Oil Sensor
Panel
Starter
STARTER, ELECTRIC
THROTTLE, GOVERNOR LEVER
Tool
Model: 1AHF08390
In Stock
Replaced By :
Please call us at 866-243-2721 or talk with us by sending us more information. We want to verify availability before placing your order.
For Customer Service inquiries please E-mail info@partswarehouse.com, Call 866.243.2721 or Text 972.383.9129
Mon - Sat 7AM - 7PM CT
Mon - Sat 6AM-2AM CT
Track your order
Reviews
FAQs
Price Match Guarantee
Sign in for faster checkout.