Welcome,
My Cart
0 item(s)

Models

Parts


product name

Echo EG-4300 S/N: 00846 - 99999 Electric Generator

Model: EG-4300 S/N: 00846 - 99999

Back To Assemblies

Save
Part Not Listed?Part Not Listed?
product name

Generator

...
...
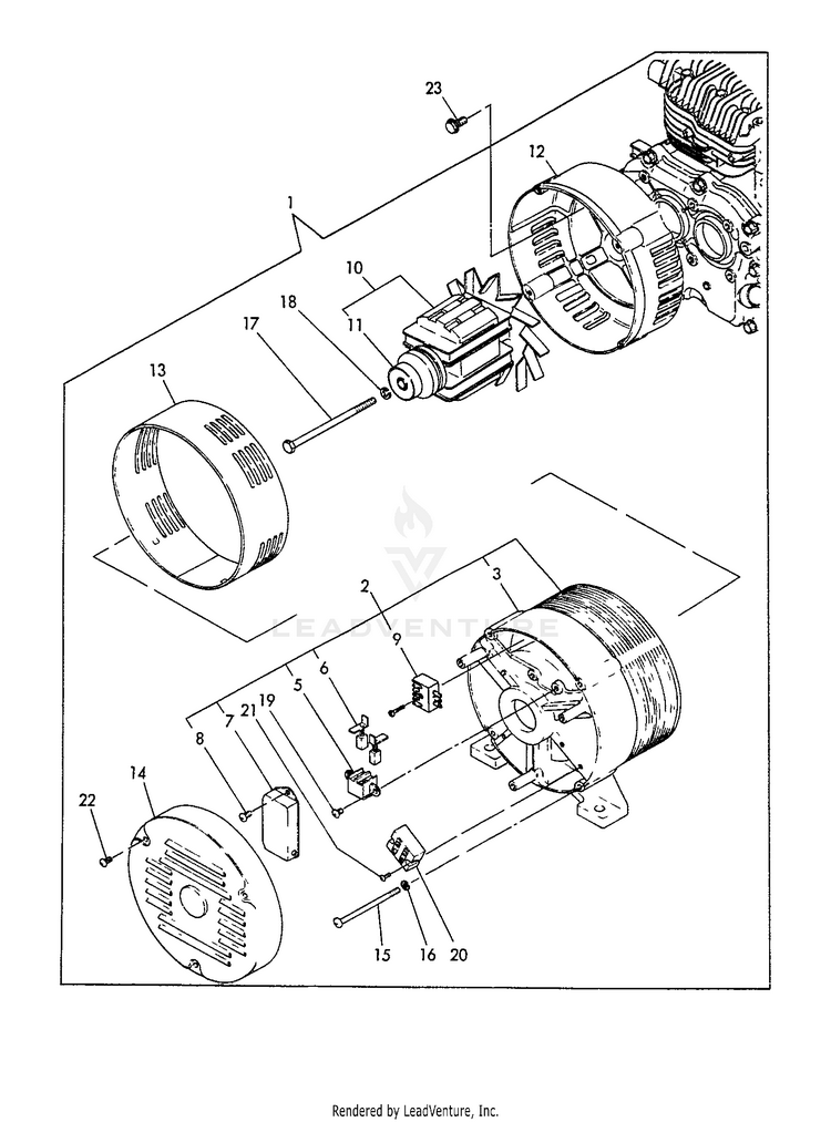
1
GENERATOR 3.8KVA ECH-Y18392074070

...
2
STATOR ASSY ECH-Y18392574220

...
3
COVER - REAR ECH-Y18382074260

...
5
HOLDER, BRUSH ECH-Y18382074240



...
8
SCREW - 4x14 ECH-Y18335074380

...
9

...
10

...
11
BEARING, BALL ECH-Y18382074360

...
12
COVER, FRONT ECH-Y18382074150


...
14

...
15
BOLT, THROUGH ECH-Y18386074410

...
16
LOCKWASHER - 6 ECH-Y22217060000


...
18
LOCKWASHER - 10 ECH-Y22217100000

...
19
SCREW - 5x14 ECH-Y18382074300

...
20

...
21
SCREW - 5x14 ECH-Y18382074300

...
22
SCREW - 4x8 ECH-Y18352091290

...
23
BOLT - 8x20 - PLATED ECH-Y26106080202
...
...
...
...
...
Processing