Welcome,
My Cart
0 item(s)

Models

Parts


product name

Echo EG-4300 S/N: 00846 - 99999 Electric Generator

Model: EG-4300 S/N: 00846 - 99999

Back To Assemblies

Save
Part Not Listed?Part Not Listed?
product name

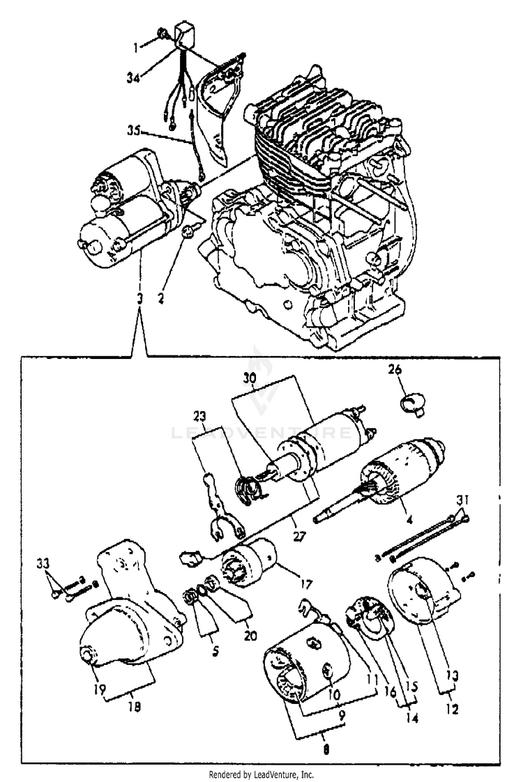
Starting Motor

...
...
1
BOLT - 6x12 - PLATED ECH-Y26106060122

...
2
BOLT - 8x20 - PLATED ECH-Y26106080202

...
3
STARTING MOTOR ECH-Y16094077010

...
4
ARMATURE ASSY ECH-Y92108910020

...
5
THRUST WASHER KIT ECH-Y92108411500

...
------------------
YOKE (REF. 18=3) ECH---

...
9
IGNITION COIL ASSY ECH-Y92108922500

...
10
SCREW, POLE CORE ECH-Y92108320700

...
11
BRUSH - ( + ) ECH-Y92108231300

...
12
REAR COVER ASSY ECH-Y92108330010


...
14
HOLDER ASSY, BRUSH ECH-Y92108531200

...
15

...
16
SPRING, CHOKE ECH-Y92114731400

...
17
PINION ASSY ECH-Y92108450020

...
18
GEAR CASE ASSY ECH-Y92108600100


...
20
STOPPER SET, PINION ECH-Y92114360140

...
23
LEVER SET, SHIFT ECH-Y921088610A0

...
26
CAP, TERMINAL ECH-Y92108480200

...
27
COVER SET, DUST ECH-Y921087806A0

...
30
SWITCH ASSY, MAGNET ECH-Y92108482300


...
33
BOLT - 6x32 ECH-Y92114586600

...
34

...
...
...
...
...
Processing