Welcome,
My Cart
0 item(s)

Models

Parts


product name

Echo EG-4300 S/N: 00000 - 00845 Electric Generator

Model: EG-4300 S/N: 00000 - 00845

Back To Assemblies

Save
Part Not Listed?Part Not Listed?
product name

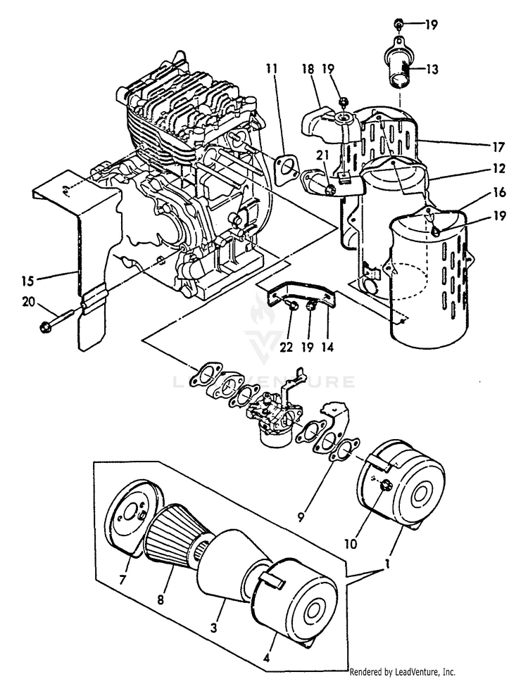
Intake, Exhaust, Air Cleaner

...
...
1
FILTER ASSY, AIR ECH-Y76091012560

...
3
FILTER, AIR ECH-Y16028012570

...
4

...
7
PLATE, PREVENT ECH-Y16091012710


...
9
GASKET, INTAKE ECH-Y16091056150

...
10

...
11
GASKET, EXHAUST ECH-Y16091013200

...
12

...
13
SCREEN, SPARK ARRESTER ECH-Y16087013650

...
14
STAY, MUFFLER ECH-Y16091013730

...
15
PLATE, GUIDE ECH-Y16097013730

...
16
COVER-A, MUFFLER ECH-Y16091013800

...
17
COVER-B, MUFFLER ECH-Y16097013810

...
18
COVER-C, MUFFLER ECH-Y16091013820

...
19
BOLT - 6x8 - PLATED ECH-Y26106060082

...
20
BOLT - 8x60 - PLATED ECH-Y26116080602

...
21

...
22
BOLT - 6x8 - PLATED ECH-Y26476060142
...
...
...
...
...
Processing