Welcome,
My Cart
0 item(s)

Models

Parts


product name

Echo EG-4300 S/N: 00000 - 00845 Electric Generator

Model: EG-4300 S/N: 00000 - 00845

Back To Assemblies

Save
Part Not Listed?Part Not Listed?
product name

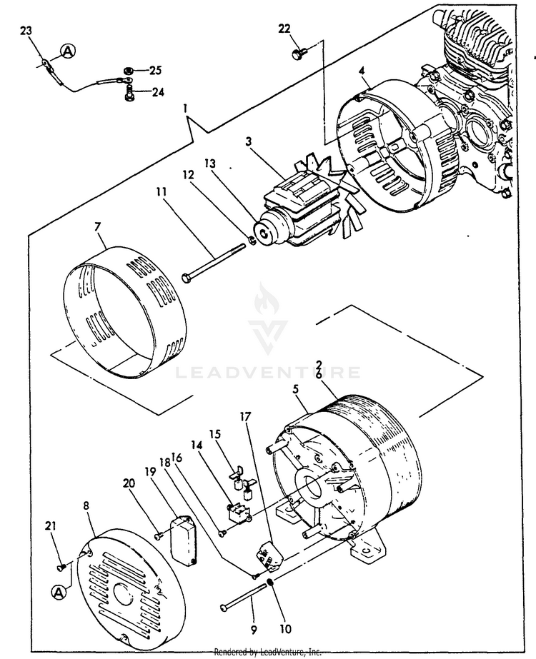
GENERATOR

...
...
1
GENERATOR 3.8KVA ECH-Y18392074110

...
2
STATOR ASSY ECH-Y18392074220

...
3

...
4
COVER, FRONT ECH-Y18382074150

...
5
COVER - REAR ECH-Y18382074260



...
8

...
9
BOLT, THROUGH ECH-Y18386074410

...
10
LOCKWASHER - 6 ECH-Y22217060000


...
12
LOCKWASHER - 10 ECH-Y22217100000

...
13
BEARING, BALL ECH-Y18382074360

...
14
HOLDER, BRUSH ECH-Y18382074240


...
16
SCREW - 4x10 ECH-Y18362074310

...
17

...
18
SCREW - 5x14 ECH-Y18382074300


...
20
SCREW - 5x14 ECH-Y18382074300

...
21
SCREW - 4x10 ECH-Y18362074310

...
22
BOLT - 8x20 - PLATED ECH-Y26106080202

...
23
WIRE, EARTH ECH-Y18362174450

...
24
BOLT - 6x16 - PLATED ECH-Y26113060162

...
25
LOCKNUT - 6 - PLATED ECH-Y26753060002
...
...
...
...
...
Processing