Welcome,
My Cart
0 item(s)

Models

Parts


product name

Echo EG-3500 S/N: 02738 - 99999 Electric Generator

Model: EG-3500 S/N: 02738 - 99999

Back To Assemblies

Save
Part Not Listed?Part Not Listed?
product name

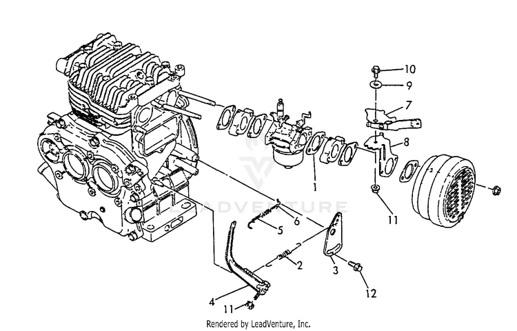
Throttle, Governor Lever

...

...
2
SPRING, REGULATOR ECH-Y16087066010

...
3
HANDLE, REGULATOR ECH-Y16097066120

...
4
LEVER, GOVERNOR ECH-Y16081066151

...
5
LINK, THROTTLE ECH-Y16081066200

...
6
SPRING, TENSION ECH-Y16081066210

...
7

...
8
BRACKET, LEVER ECH-Y16087066330


...
10
BOLT - 6x12 - PLATED ECH-Y26106060122

...
11

...
12
BOLT - 6x8 - PLATED ECH-Y26476060142
...
...
...
...
...
Processing