Welcome,
My Cart
0 item(s)

Models

Parts


product name

Echo EG-3500 S/N: 00000 - 02737 Electric Generator

Model: EG-3500 S/N: 00000 - 02737

Back To Assemblies

Save
Part Not Listed?Part Not Listed?
product name

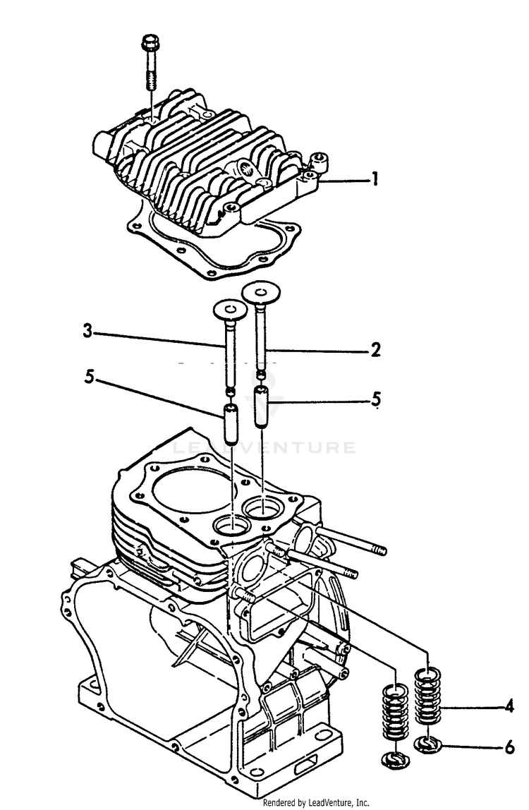
Cylinder Head

...
...
1
HEAD, CYLINDER ECH-Y16081011010

...
2
VALVE, INTAKE ECH-Y16081011100

...
3
VALVE, EXHAUST ECH-Y16081011110

...
4
SPRING, VALVE ECH-Y16081011120

...
5
GUIDE, VALVE ECH-Y16081011160

...
...
...
...
...
...
Processing