Welcome,
My Cart
0 item(s)

Models

Parts


product name

Echo EG-3500 S/N: 00000 - 02737 Electric Generator

Model: EG-3500 S/N: 00000 - 02737

Back To Assemblies

Save
Part Not Listed?Part Not Listed?
product name

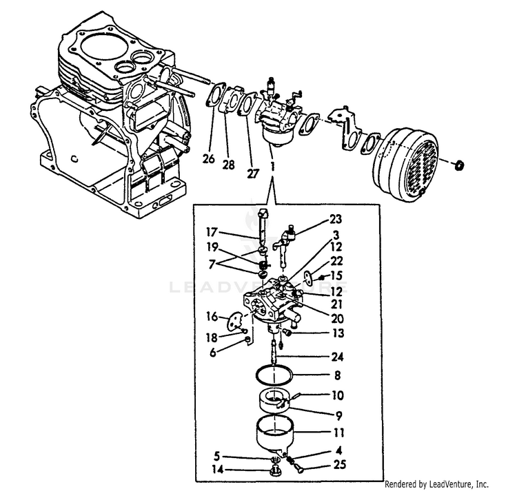
Carburetor

...
...
1




...
6
RING, CHOKE SHAFT ECH-Y16081056580

...
7
RING, CHOKE LEVER ECH-Y16081056590






...
13



...
16
VALVE, CHOKE ECH-Y16087056680



...
19
SPRING, CHOKE ECH-Y16087056720

...
20

...
21
SCREW, PILOT ECH-Y16061056750

...
22
VALVE, THROTTLE ECH-Y16081056780

...
23
THROTTLE SHAFT ASSY ECH-Y16087056770

...
24
NOZZLE, MAIN ECH-Y16081056820




...
...
...
...
...
Processing