Welcome,
My Cart
0 item(s)

Models

Parts


product name

Echo EG-3500 S/N: 00000 - 02737 Electric Generator

Model: EG-3500 S/N: 00000 - 02737

Back To Assemblies

Save
Part Not Listed?Part Not Listed?
product name

Starter

...
...
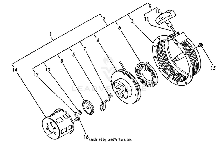
1
STARTER ASSY ECH-Y18084076050

...
2
RECOIL ASSY ECH-Y16084076250

...
3
CASE, STARTER ECH-Y16084076510




...
7
SPRING, FRICTION ECH-Y16084076560


...
9

...
10
GRIP, STARTER ECH-Y16081076620

...
11
STARTER WIRE ECH-Y16081076630


...
13

...
14
PULLEY, STARTER ECH-Y16081076590

...
15
BOLT - 6x8 - PLATED ECH-Y26106060082

...
16
BOLT - 6x12 - PLATED ECH-Y26106060122
...
...
...
...
...
Processing