Welcome,
My Cart
0 item(s)

Models

Parts


product name

Echo EG-3500 S/N: 00000 - 02737 Electric Generator

Model: EG-3500 S/N: 00000 - 02737

Back To Assemblies

Save
Part Not Listed?Part Not Listed?
product name

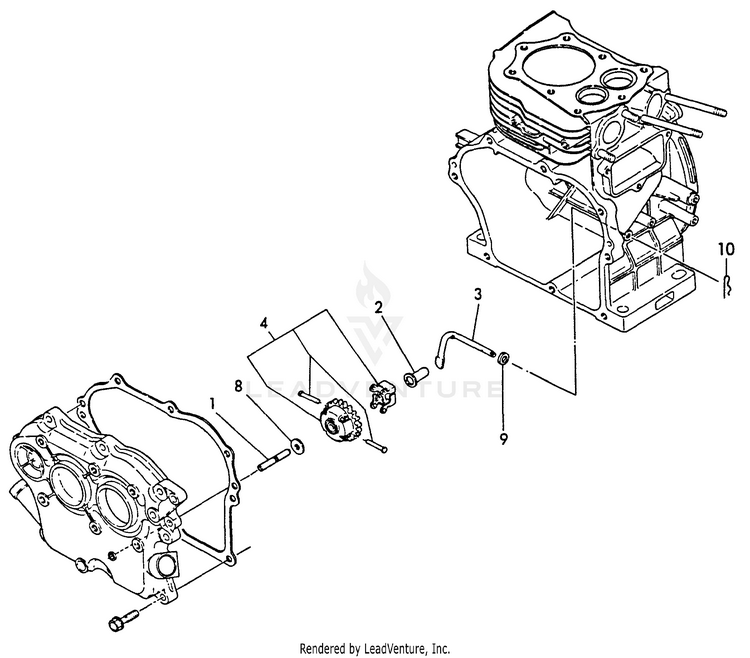
Governor

...
...
1
SHAFT, GOVERNOR ECH-Y16061061100

...
2
SPINDLE, GOVERNOR ECH-Y16061061300

...
3
YOKE, GOVERNOR ECH-Y16081061310

...
4
GOVERNOR GEAR ASSY ECH-Y16061061600


...
9

...
10
PIN - 6 - SNAP ECH-Y22360060000
...
...
...
...
...
Processing