Welcome,
My Cart
0 item(s)

Models

Parts


product name

Echo EG-3500 S/N: 00000 - 02737 Electric Generator

Model: EG-3500 S/N: 00000 - 02737

Back To Assemblies

Save
Part Not Listed?Part Not Listed?
product name

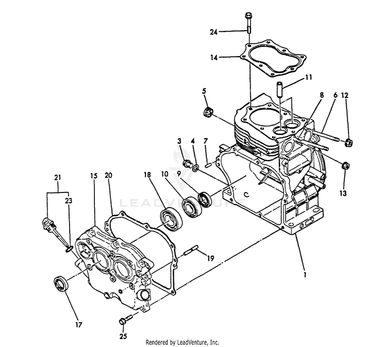
Cylinder Body

...
...
1
CYLINDER BLOCK SET ECH-Y76087001560

...
3
PLUG, DRAIN ECH-Y16061001690



...
6
BOLT - 6x90 ECH-Y16061004590

...
7
PARALLEL PIN 6x16 ECH-Y22312060160

...
8
STUD - 8x18 - PLATED ECH-Y26216080182

...
9

...
10
BEARING, BALL ECH-Y24101062050

...
11
GUIDE, VALVE ECH-Y16081011160

...
12

...
13

...
14
GASKET, CYLINDER ECH-Y16081001330

...
15
SIDE COVER ASSY ECH-Y76084001500

...
17

...
18
BEARING, BALL 6206C4 ECH-Y24101062060

...
19
SHAFT, GOVERNOR ECH-Y16061061100

...
20
GASKET, SIDE COVER ECH-Y16081001410

...
21

...
23
O-RING 1A P-18.0 ECH-Y24311000180

...
24
BOLT - 8x50 ECH-Y16061004180

...
25
BOLT - 8x30 - PLATED ECH-Y26106080302
...
...
...
...
...
Processing