Welcome,
My Cart
0 item(s)

Models

Parts


product name

Echo EG-2300 S/N: 03372 - 99999 Electric Generator

Model: EG-2300 S/N: 03372 - 99999

Back To Assemblies

Save
Part Not Listed?Part Not Listed?
product name

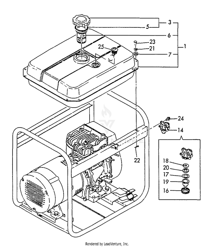
Fuel Tank

...
...
1
TANK ASSY, FUEL ECH-Y78372055760

...


...
6
STRAINER, FUEL ECH-Y16071055100


...
14
COCK ASSY, FUEL ECH-Y16071055301

...
16


...
18
FILTER, FUEL ECH-Y16071055381

...
19
BOWL, STRAINER ECH-Y16071055390



...
22
PIN - 6 - SNAP ECH-Y22360060000

...
23

...
24
BOLT - 6x8 - PLATED ECH-Y26106060082

...
25
GAUGE, FUEL ECH-Y18362155150
...
...
...
...
...
Processing