Welcome,
My Cart
0 item(s)

Models

Parts


product name

Echo EG-2300 S/N: 001001 - 003371 Electric Generator

Model: EG-2300 S/N: 001001 - 003371

Back To Assemblies

Save
Part Not Listed?Part Not Listed?
product name

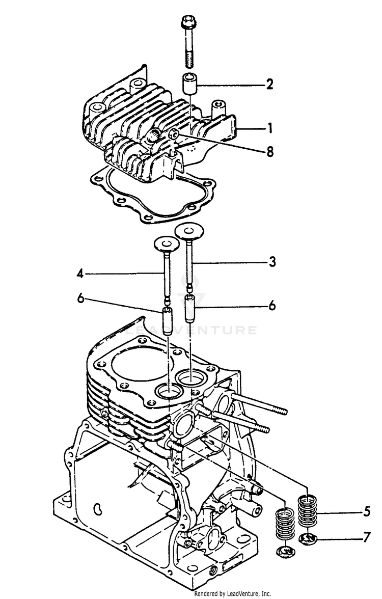
Cylinder Head

...
...
1
HEAD, CYLINDER ECH-Y16071011010


...
3
VALVE, INTAKE ECH-Y16071011100

...
4
VALVE, EXHAUST ECH-Y16071011110

...
5
SPRING, VALVE ECH-Y16071011120

...
6
GUIDE, VALVE ECH-Y16061011160

...
7
RETAINER, SPRING ECH-Y16061011180

...
8
LOCKNUT - 6 - PLATED ECH-Y26756060002
...
...
...
...
...
Processing