Welcome,
My Cart
0 item(s)

Models

Parts


product name

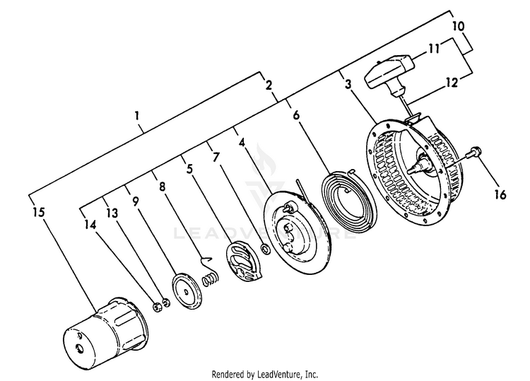
Echo EG-2300 S/N: 001001 - 003371 Electric Generator

Model: EG-2300 S/N: 001001 - 003371

Back To Assemblies

Save
Part Not Listed?Part Not Listed?
product name

Starter

...
...
1
STARTER ASSY ECH-Y16074076050

...
2
STARTER ASSY, RECOIL ECH-Y16074076250

...
3
CASE, STARTER ECH-Y16074076510



...
6
SPRING, SPIRAL ECH-Y16071076540


...
8
SPRING, FRICTION ECH-Y16074076560

...
9
PLATE, FRICTION ECH-Y16061076580

...
10
STARTER ROPE ASSY ECH-Y16026076610

...
11
GRIP, STARTER ECH-Y16026076620

...
12
ROPE, STARTER ECH-Y16026076630

...
13
LOCKWASHER - 6 ECH-Y22217060000

...

...
15
PULLEY, STARTER ECH-Y16071076590

...
16
BOLT - 6x8 - PLATED ECH-Y26106060082
...
...
...
...
...
Processing