Welcome,
My Cart
0 item(s)

Models

Parts


product name

Echo EG-2300 S/N: 001001 - 003371 Electric Generator

Model: EG-2300 S/N: 001001 - 003371

Back To Assemblies

Save
Part Not Listed?Part Not Listed?
product name

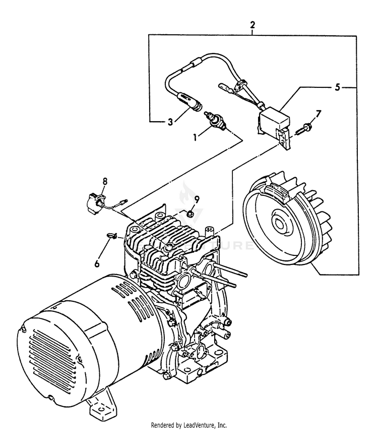
Ignition

...
...
1

...

...
3

...
5
COIL, IGNITION ECH-Y16071078511


...
7
BOLT - 6x30 ECH-Y26476060252

...
8
IGNITION SWITCH ASSY ECH-Y16061177250

...
...
...
...
...
...
Processing