Welcome,
My Cart
0 item(s)

Models

Parts


product name

Echo EG-2300 S/N: 001001 - 003371 Electric Generator

Model: EG-2300 S/N: 001001 - 003371

Back To Assemblies

Save
Part Not Listed?Part Not Listed?
product name

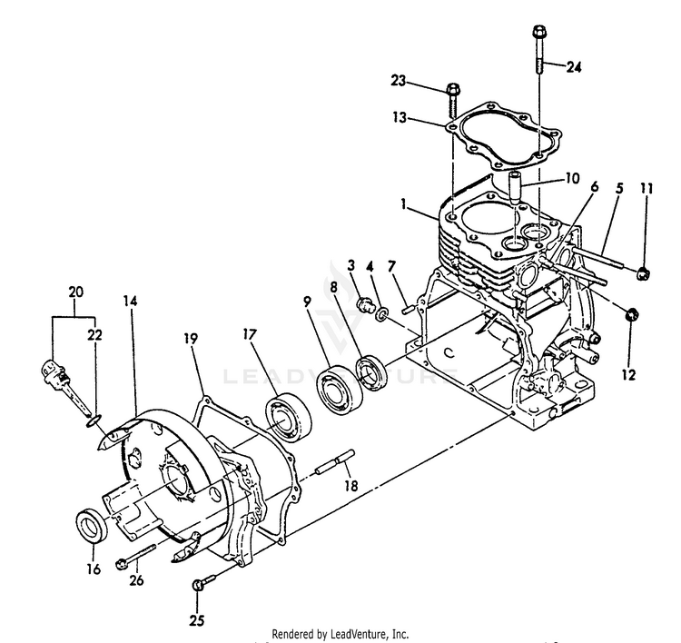
Cylinder Body

...
...
1
CYLINDER BLOCK SET ECH-Y76077001560

...
3
PLUG, DRAIN ECH-Y16061001690


...
5
BOLT - 6x70 ECH-Y16061004570

...
6
STUD - 8x18 - PLATED ECH-Y26216080182

...
7
PARALLEL PIN 6x16 ECH-Y22312060160

...
8

...
9
BEARING, BALL ECH-Y24101062050

...
10
GUIDE, VALVE ECH-Y16061011160

...
11

...
12

...
13
GASKET, CYLINDER ECH-Y16071001330

...
14
SIDE COVER ASSY ECH-Y76077001510

...
16

...
17
BEARING, BALL ECH-Y24101062050

...
18
SHAFT, GOVERNOR ECH-Y16061061100

...
19
GASKET, SIDE COVER ECH-Y16071001410

...
20

...
22
O-RING 1A P-15.0 ECH-Y24311000150

...
23
BOLT - 8x38 ECH-Y16061004170

...
24
BOLT - 8x65 ECH-Y16061004210

...
25
BOLT - 6x30 ECH-Y26476060252

...
26
BOLT - 6x55 ECH-Y26476060552
...
...
...
...
...
Processing