Welcome,
My Cart
0 item(s)

Models

Parts


product name

Echo EG-1800 Electric Generator

Model: EG-1800

Save
Part Not Listed?Part Not Listed?
product name

Frame

...
...
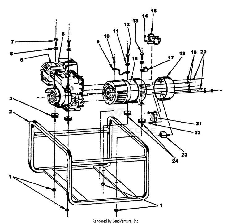
1
DRIVE END ADAPTOR CASTING ECH-240411008

...
2
WASHER, LOCK 5x16 ECH-240015004

...
3
SCREW - 5/16-24x1.00" - HEX HEAD CAP ECH-240410025

...
4
DIODE ECH---

...
5
ROTOR ASSY ECH-240440104

...
------------------
LOCKWASHER ECH---

...
------------------

...
8
BEARING ECH---

...
9
LOCKWASHER - 5/16" ECH-240015002

...
10
ROTOR THRU BOLT ECH-240411036

...
11
NUT - 5/16-24 - KEPS ECH-240461100

...
12
DIODE ECH---

...
13
BAND, COVER ECH-240410021

...
14
STATOR ASSY ECH-240440204

...
15
CASTING, BEARING ECH-240411001

...
16
NUT - 1/4-20 - KEPS ECH-240016005

...
17
CAPACITOR - 50UF 370V ECH-240420000

...
18
TIE, CABLE ECH-240020070

...
19
COVER, BEARING ECH-240410005

...
20
SCREW #10x24x1x2 ECH-240410001

...
21
BOLT, STATOR ECH-240411037

Generator

...
...
1
LOCKNUT - 5/16-18 ECH-240016001


...
3
ISOLATOR, VIBRATION ECH-240009020

...
5
LABEL - SAFETY ECH-240021340

...
6
WASHER, LOCK 5x16 ECH-240015004

...
7
BOLT - 5/16-18x1-1/2" ECH-240017003

...
8
UNKNOWN ECH---

...
9
LEAD - GROUND ECH-240011001

...
10
SCREW - 10-24 ECH-240017001

...
11
WASHER, LOCK 5x16 ECH-240015004

...
12
5/16-18x5/8 HHS ECH-240017019

...
13
5/16-18x7/8 HHS ECH-240017063

...
14
TIE, CABLE ECH-240020070

...
15
CAPACITOR - 50UF 370V ECH-240420000

...
16
LABEL - MODEL EG-1800 ECH-240021250

...
17
LUG, GROUND - 1/0-14 CU/AL ECH-240010001

...
18
PANEL, END ECH-240410015

...
19
SCREW - 10-24 - SLOT HEAD ECH-240410022

...
20
8-32x3/8 RHS ECH-240017005

...
21
DUPLEX, 15A/125V ECH-240007150

...
22
NUT - 8-32 - KEPS ECH-240016003

...
23
BREAKER, CIRCUIT - 15A/250V ECH-240013150

...
24
ISOLATOR, VIBRATION ECH-240009001
...
...
...
...
...
Processing